GM Service Manual Online
For 1990-2009 cars only
Makes
🢒
Pontiac
🢒
2005
🢒
Wave
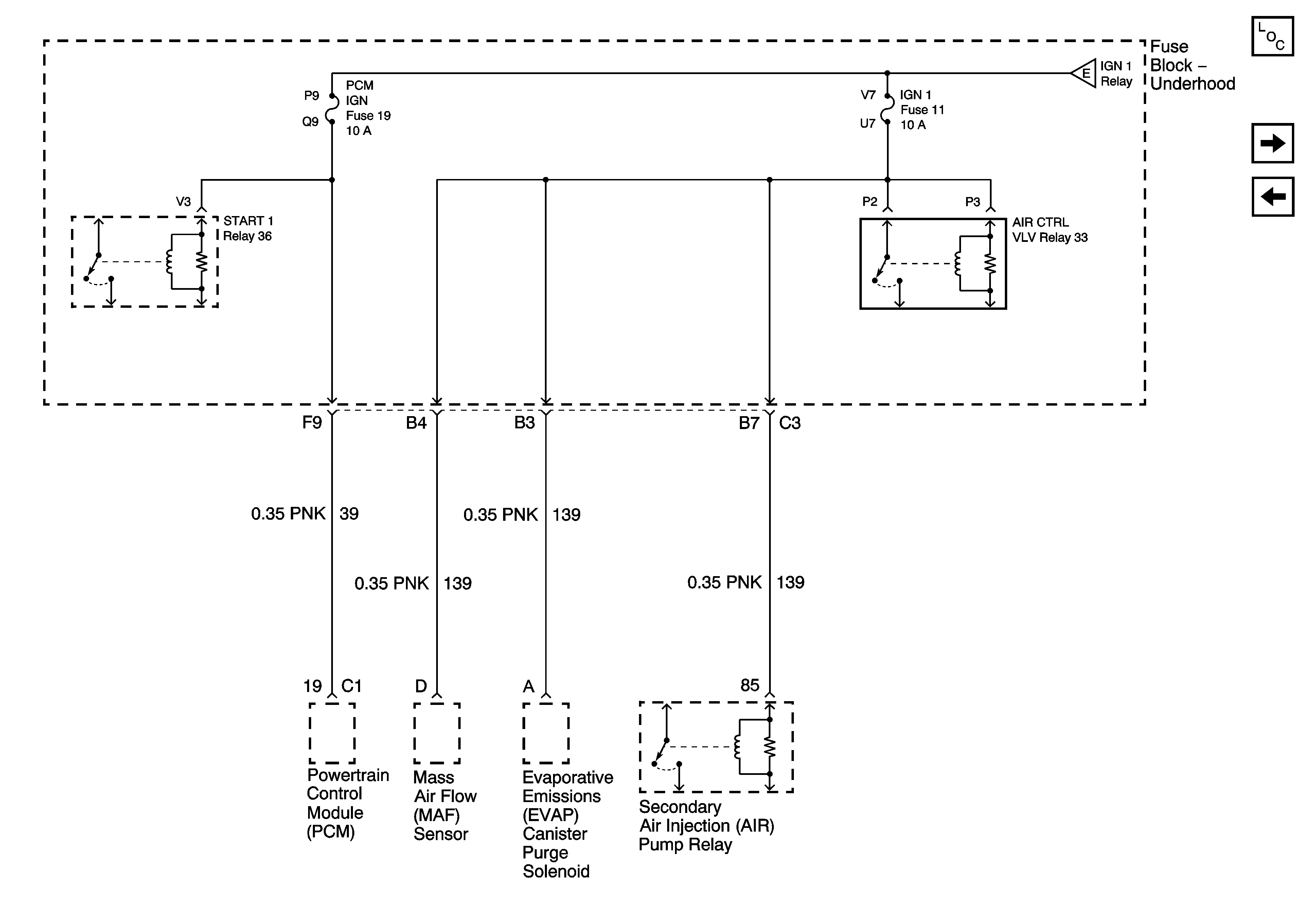
🢒 PCM IGN and IGN 1 Fuses - 4.6L
PCM IGN and IGN 1 Fuses - 4.6L
PCM IGN and IGN 1 Fuses - 4.6L
Master Electrical Component List
INGR 1 and INGR 2 Fuses - 4.6L
OXY SEN, CR CONT, Coil MDL, and Trans Fuse - 4.6L
OXY SEN, CR CONT, Coil MDL, and Trans Fuse - 4.6L