GM Service Manual Online
For 1990-2009 cars only
Makes
🢒
Pontiac
🢒
2005
🢒
Wave
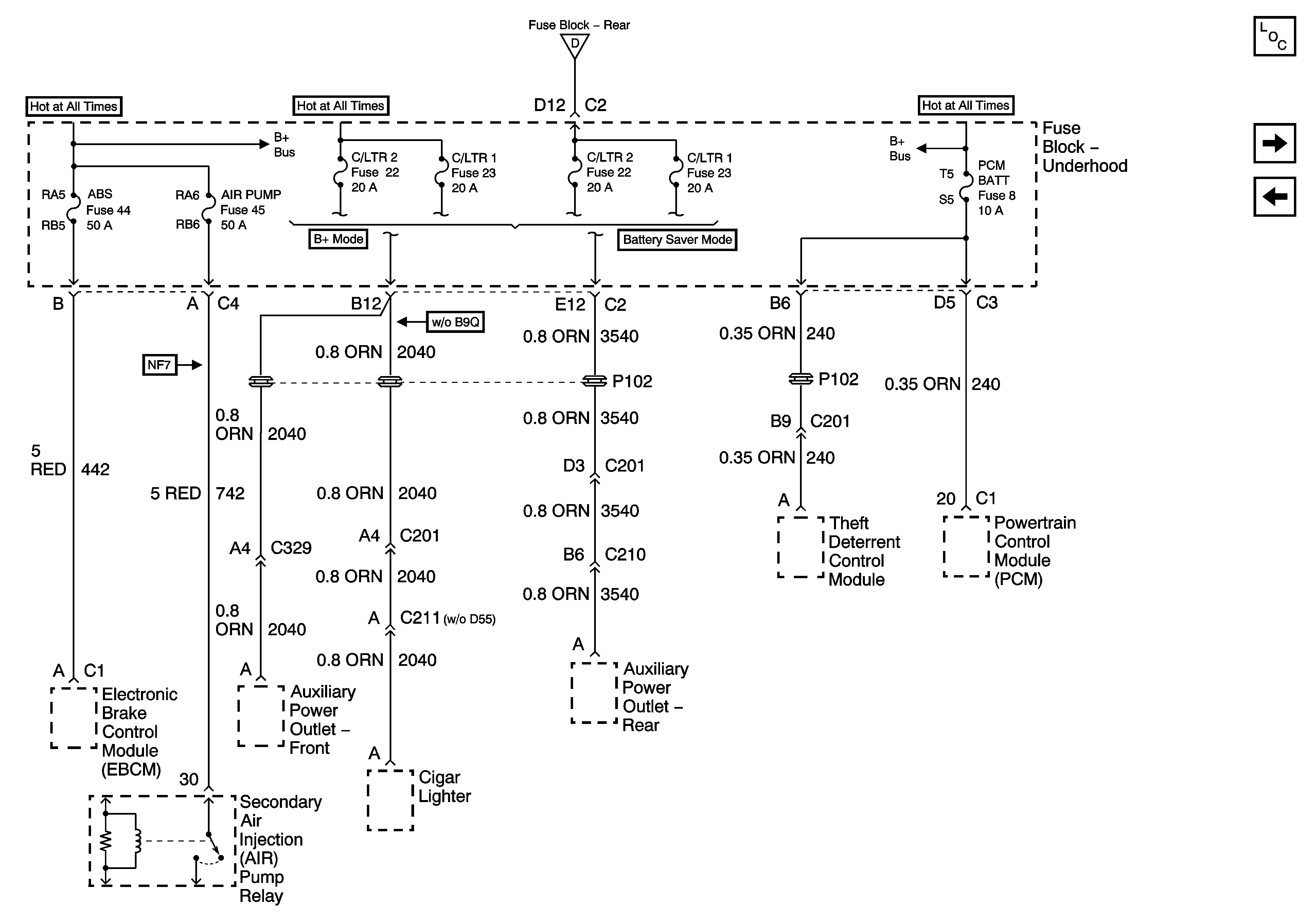
🢒 PCM BATT, ABS, AIR PUMP, C/LTR1 and C/LTR2 Fuses - 4.6L
PCM BATT, ABS, AIR PUMP, C/LTR1 and C/LTR2 Fuses - 4.6L
PCM BATT, ABS, AIR PUMP, C/LTR1 and C/LTR2 Fuses - 4.6L
Master Electrical Component List
HTDST RF, HTDST LF, DIM, and MEM Fuses
ACCY, WSW, HDLOBMR, HDLOBML, HDHIBML, and HDHIBMR Fuses - 4.6L