GM Service Manual Online
For 1990-2009 cars only
Makes
🢒
Pontiac
🢒
2005
🢒
Wave
🢒 Sensors
Sensors
Sensors
Master Electrical Component List
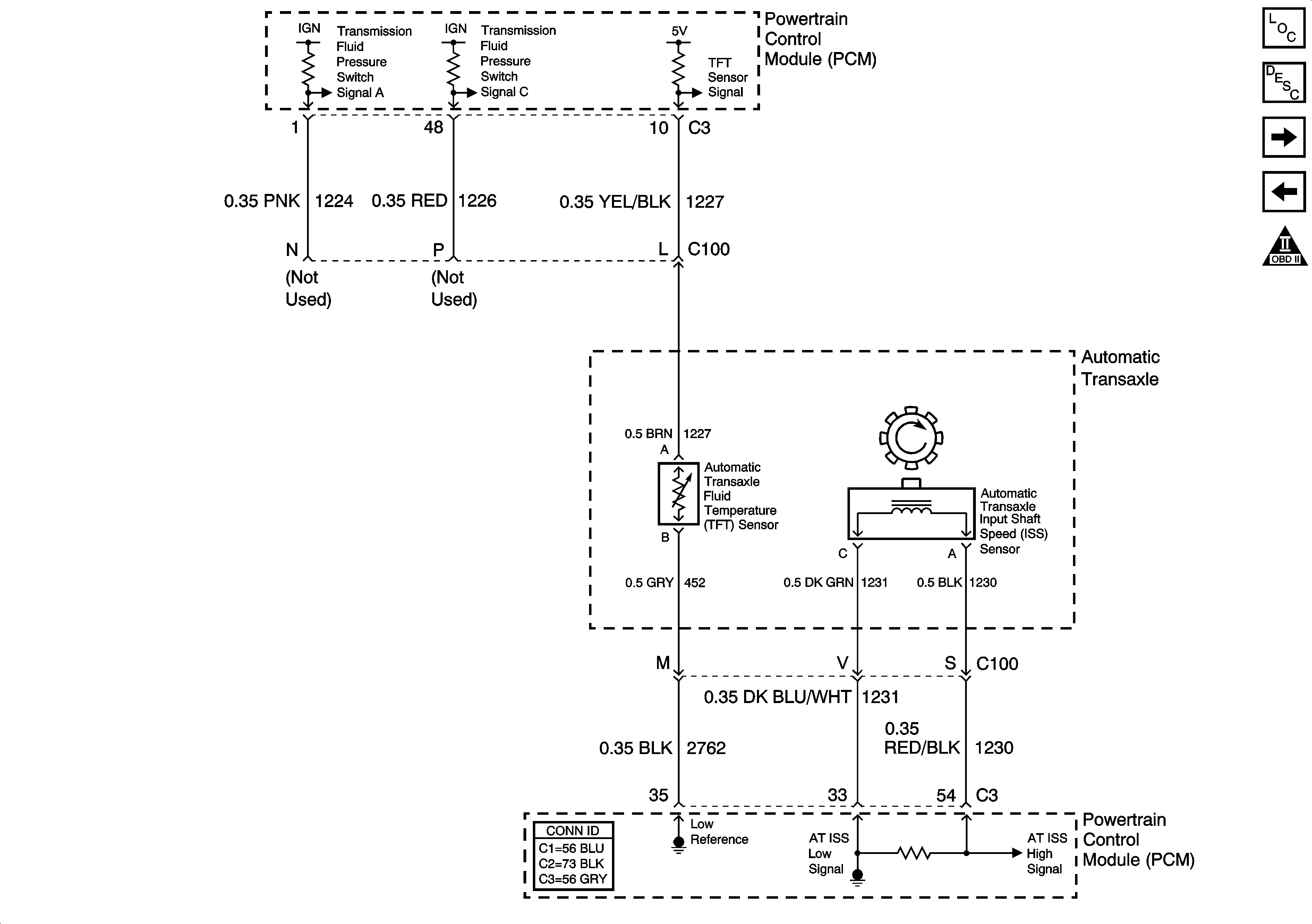
Automatic Transmission Inline 20-Way Connector Description
Transmission Internal Mode Switch (IMS) and VSS
Stop Lamp Switch and Transaxle Solenoids
OBD II Symbol Description Notice