GM Service Manual Online
For 1990-2009 cars only
Makes
🢒
Pontiac
🢒
2005
🢒
Wave
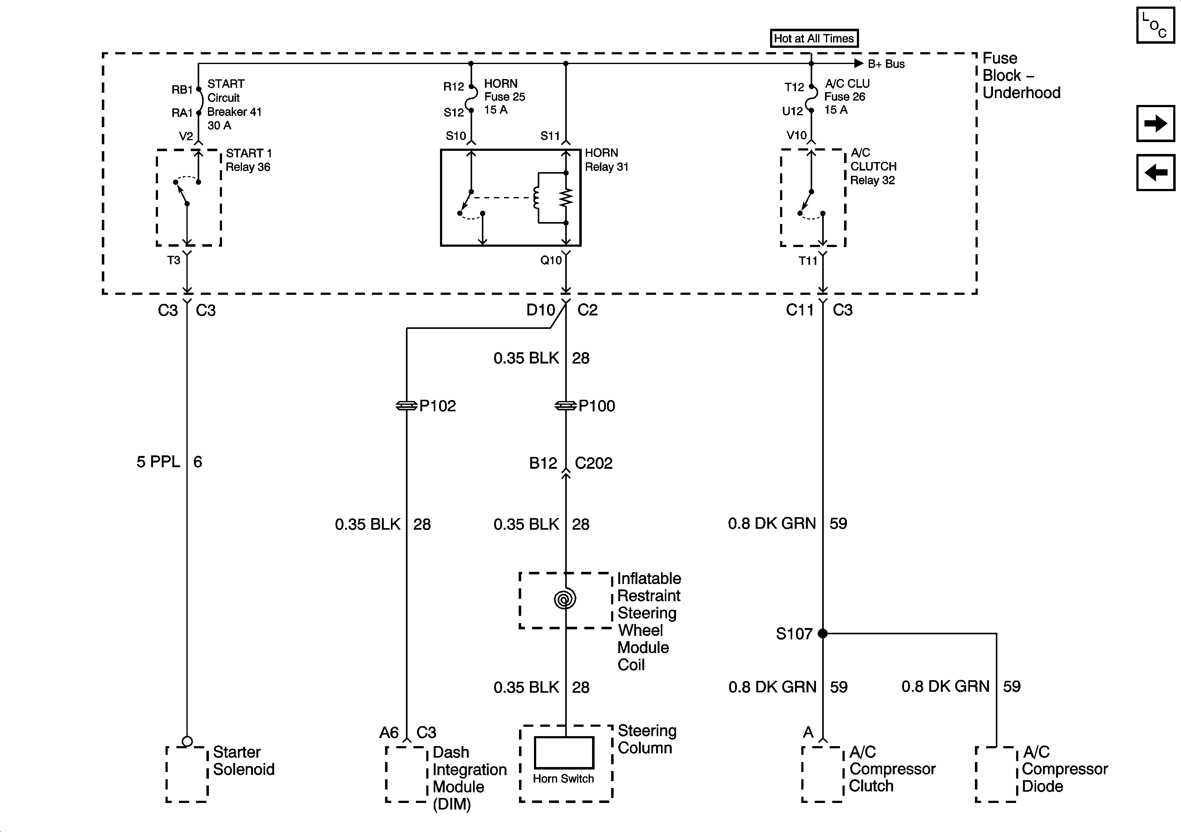
🢒 START Circuit Breaker, HORN and A/C CLU Fuses - 3.8L
START Circuit Breaker, HORN and A/C CLU Fuses - 3.8L
Start Circuit Breaker, HORN, and A/C CLU Fuses - 3.8L
Master Electrical Component List
DRL, HDHIBML, HDHIBMR, HDLOBML, and HDLOBMR Fuses - 3.8L
INJR 2, PCM IGN, CR CONT, and INJR 1 Fuses - 3.8L
Underhood Fuse Block B+ Bus - 3.8L