GM Service Manual Online
For 1990-2009 cars only
Makes
🢒
Pontiac
🢒
2005
🢒
Wave
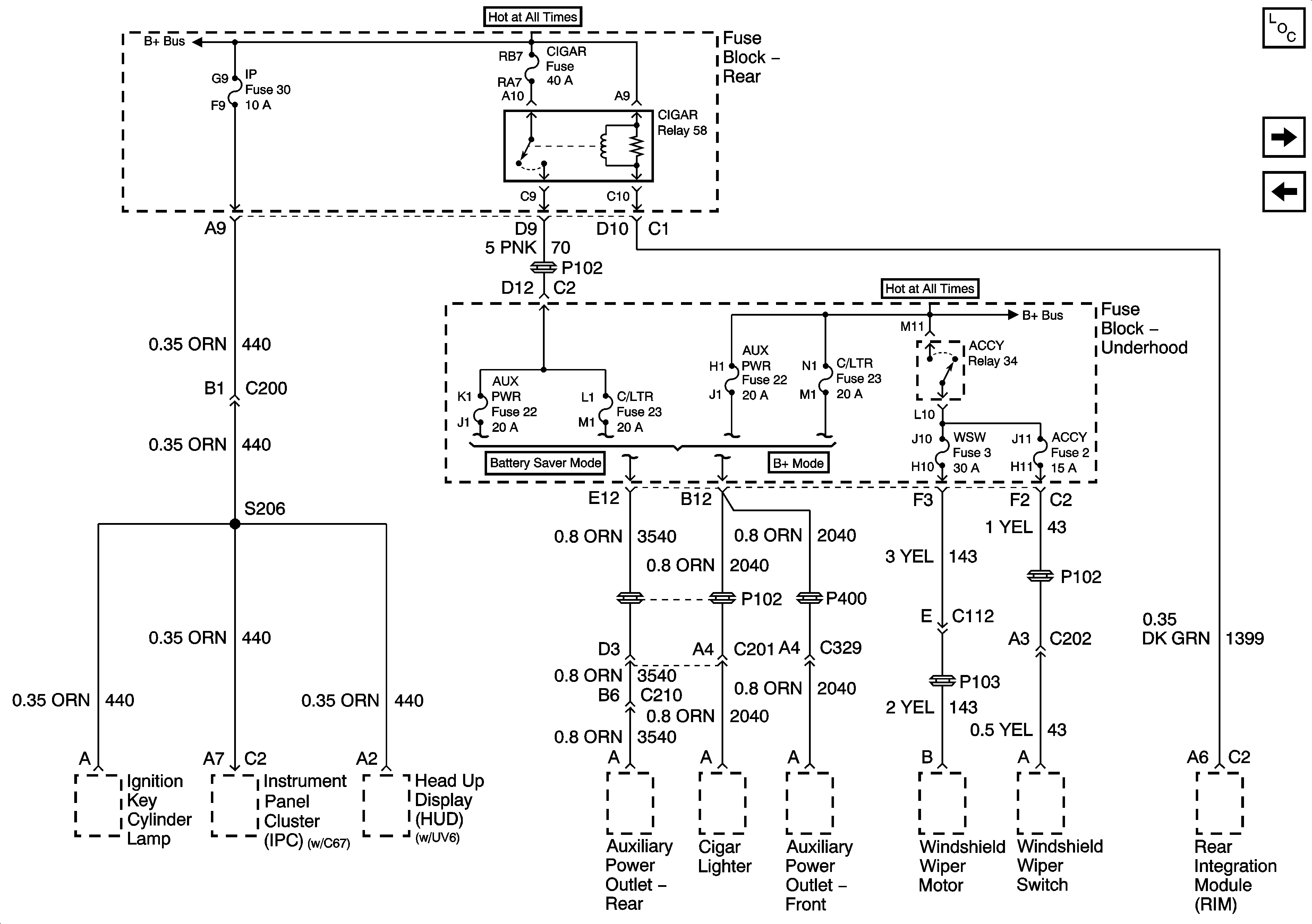
🢒 I/P and CIGAR Fuses
I/P and CIGAR Fuses
I/P and CIGAR Fuses
Master Electrical Component List
IGN SW and PRK/REV Fuses
TSIG/HAZ, STOP LP, AUDIO, and CD Fuses
Underhood Fuse Block B+ Bus - 3.8L