GM Service Manual Online
For 1990-2009 cars only
Makes
🢒
Pontiac
🢒
2005
🢒
Wave
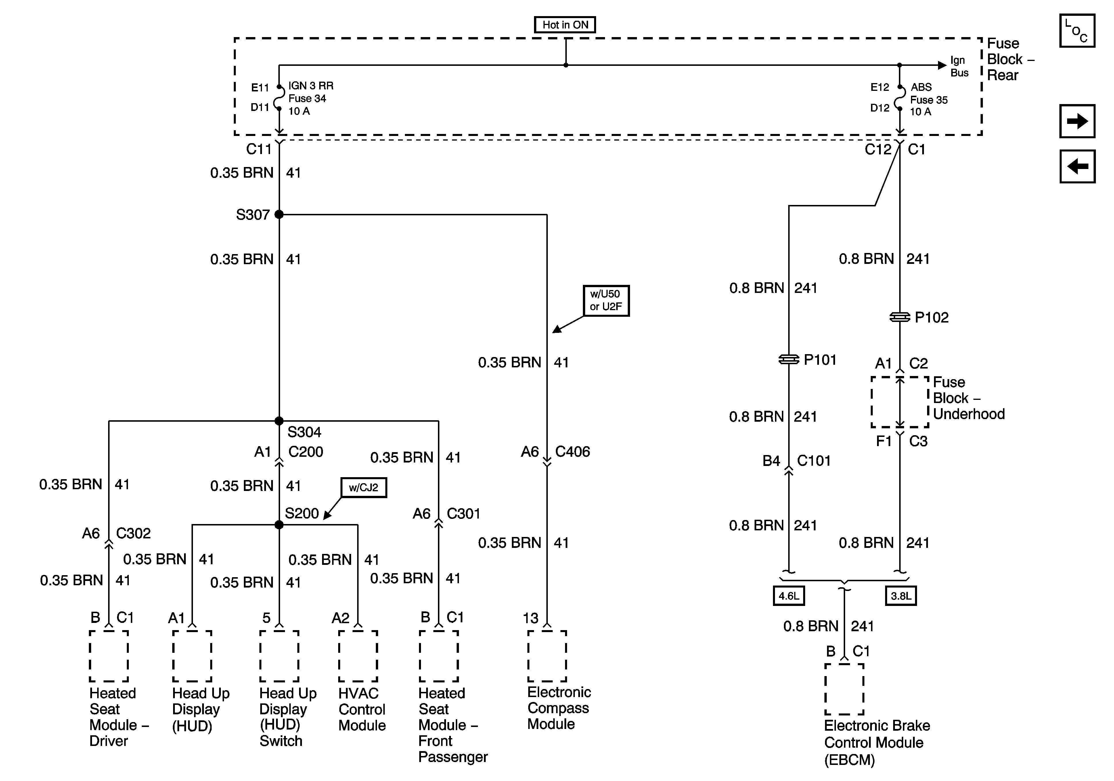
🢒 IGN3 RR and ABS Fuses
IGN3 RR and ABS Fuses
IGN 3 RR and ABS Fuses
Master Electrical Component List
HVAC Fuse
IGN-1, VENT SOL, and SIR Fuses