GM Service Manual Online
For 1990-2009 cars only
Makes
🢒
Pontiac
🢒
2005
🢒
Wave
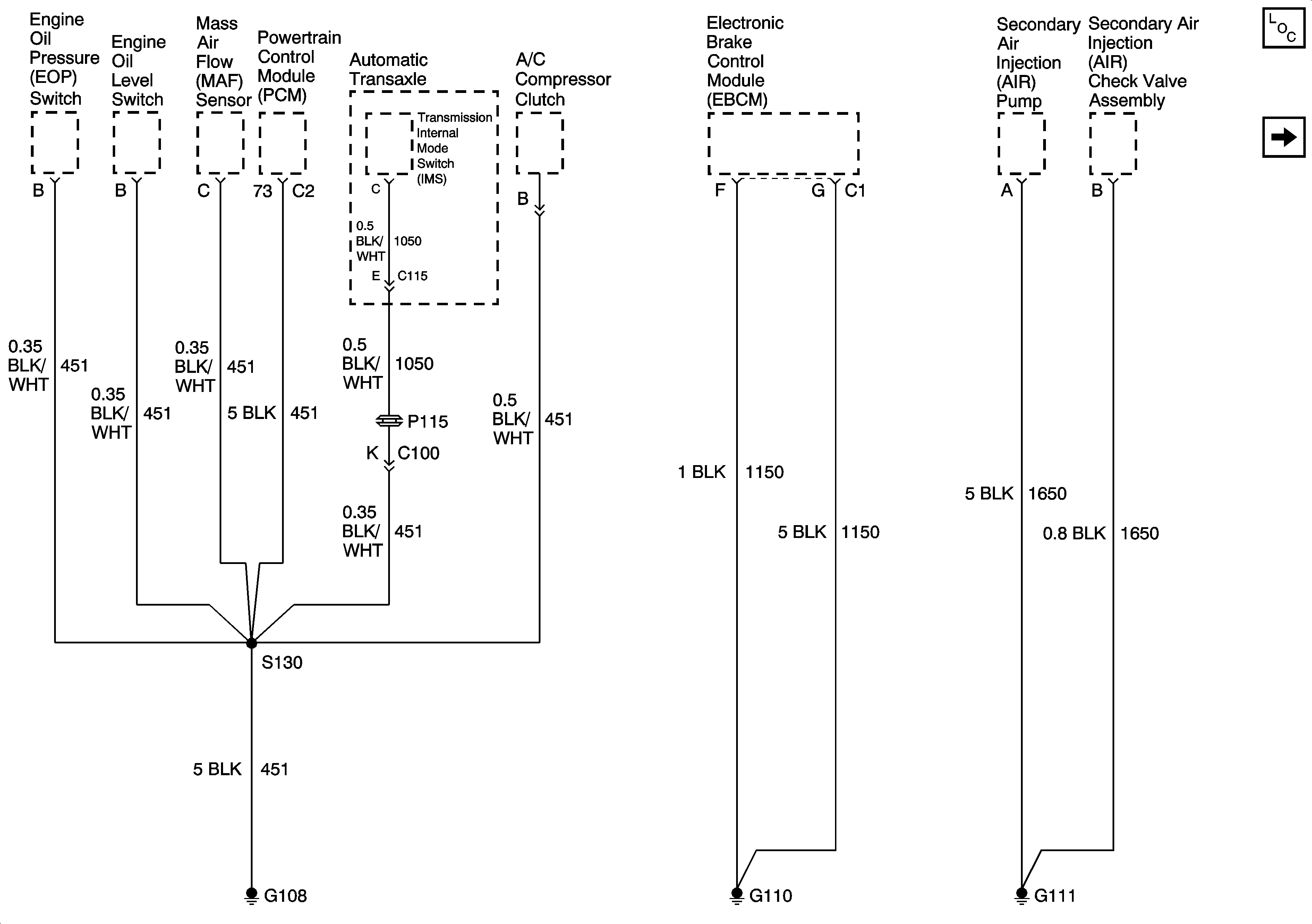
🢒 G108, G110, and G111 - 4.6L
G108, G110, and G111 - 4.6L
G108, G110, and G111 - 4.6L
Master Electrical Component List
G109 - 4.6L