GM Service Manual Online
For 1990-2009 cars only
Makes
🢒
Pontiac
🢒
2005
🢒
Wave
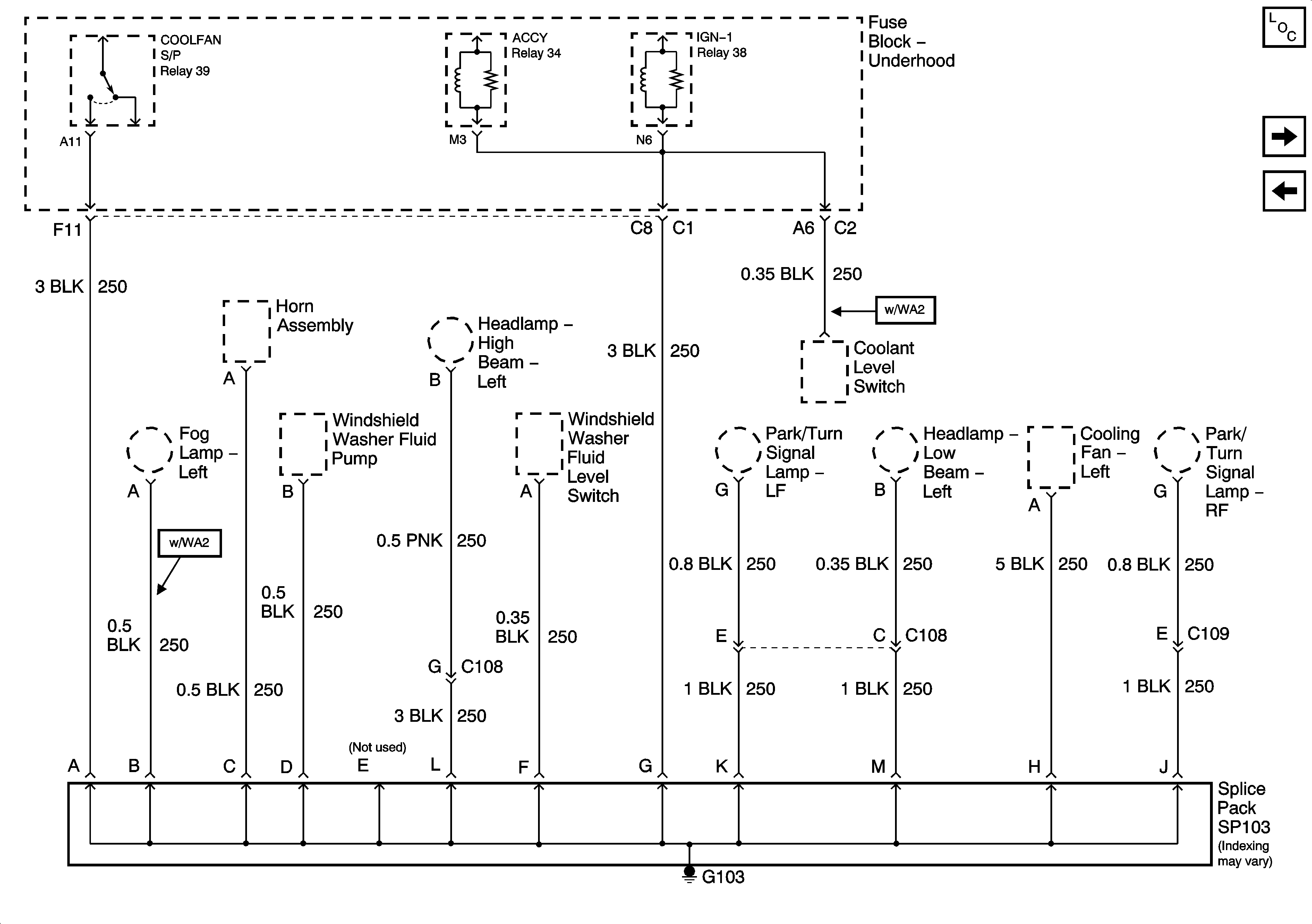
🢒 G103
G103
G103
Master Electrical Component List
G104 and G105 - 3.8L
G101, G102, G106, and G107