GM Service Manual Online
For 1990-2009 cars only
Makes
🢒
Pontiac
🢒
2005
🢒
Wave
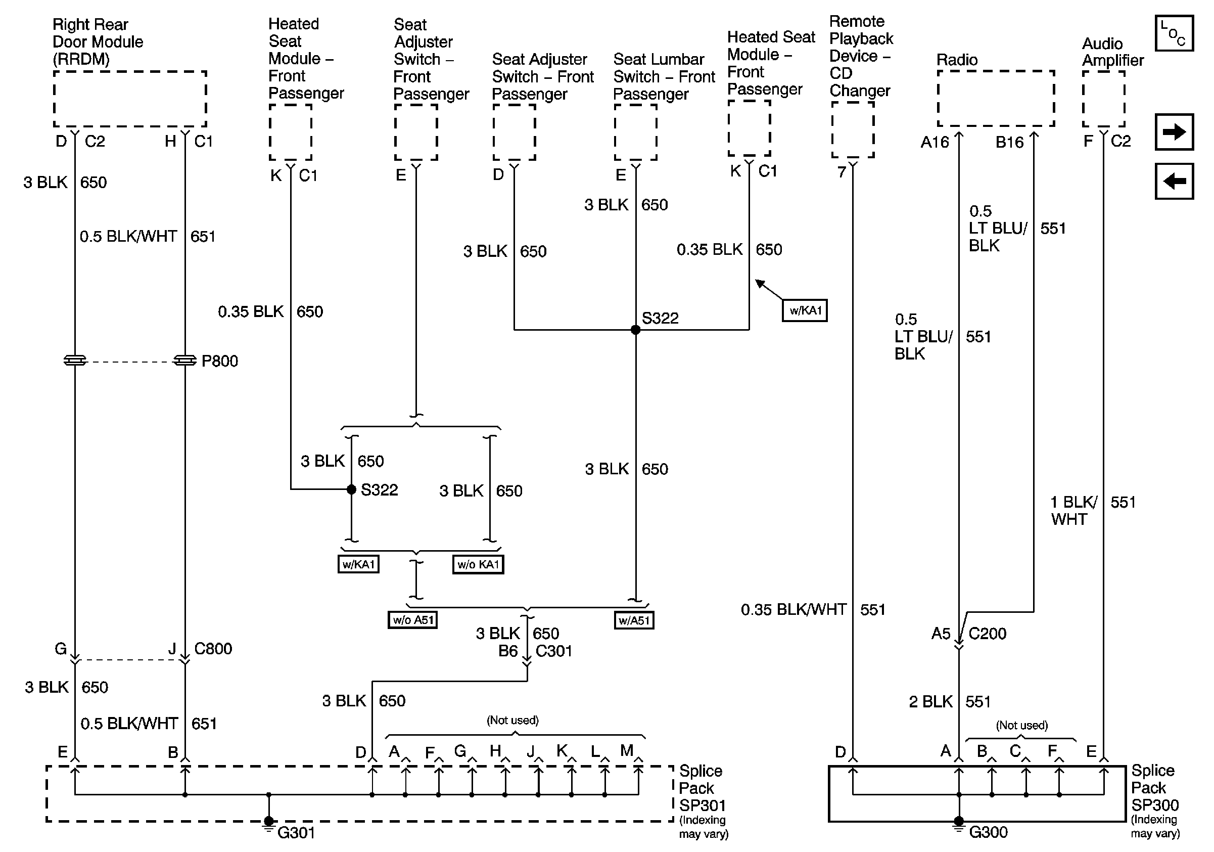
🢒 G300 and G301 - 1 of 2
G300 and G301 - 1 of 2
G300 and G301 - 1 of 2
Master Electrical Component List
G301 - 2 of 2
G201 - 2 of 2