GM Service Manual Online
For 1990-2009 cars only
Makes
🢒
Pontiac
🢒
2005
🢒
Wave
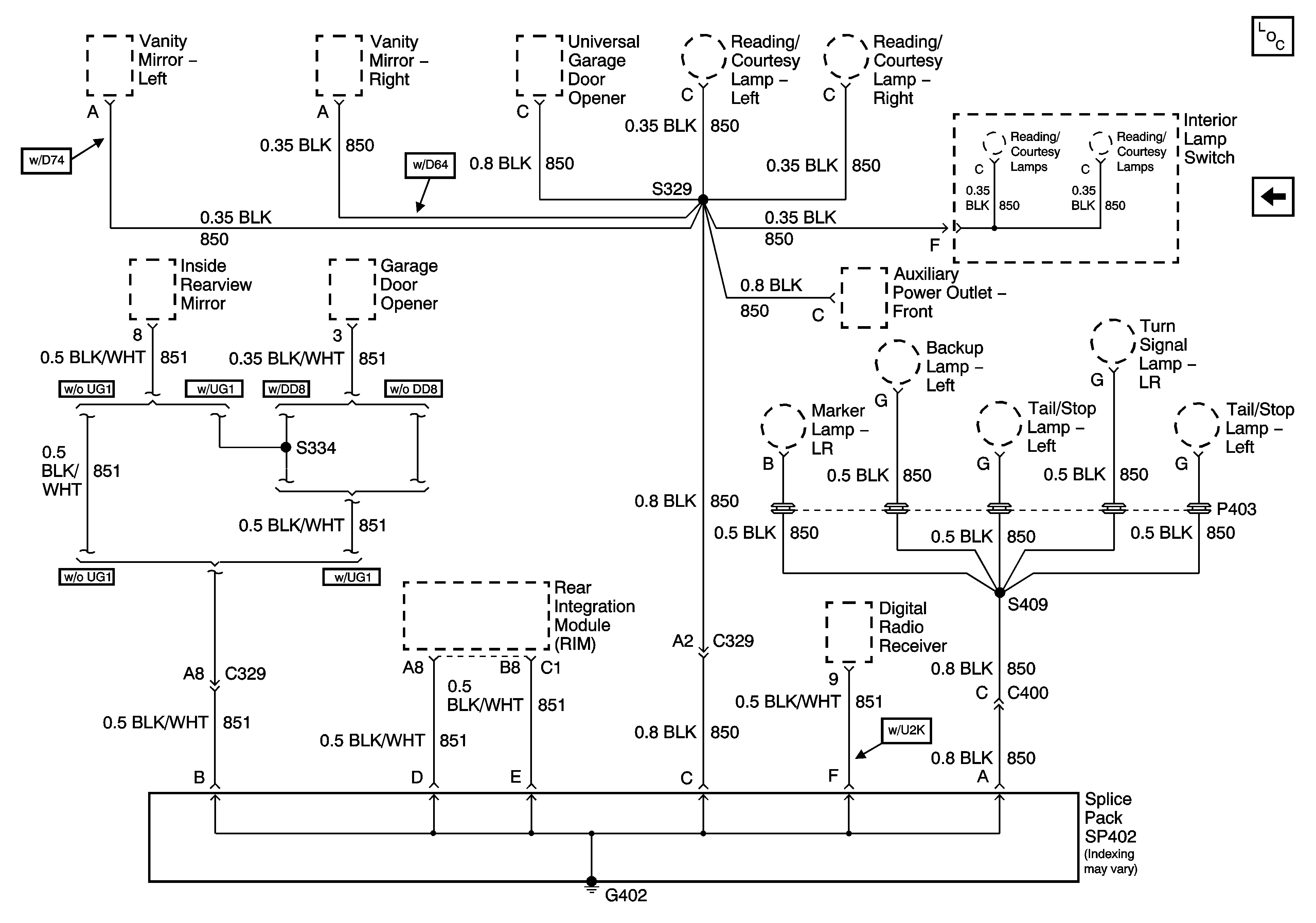
🢒 G402
G402
G402
Master Electrical Component List
G401 - 2 of 2