GM Service Manual Online
For 1990-2009 cars only
Makes
🢒
Pontiac
🢒
2005
🢒
Wave
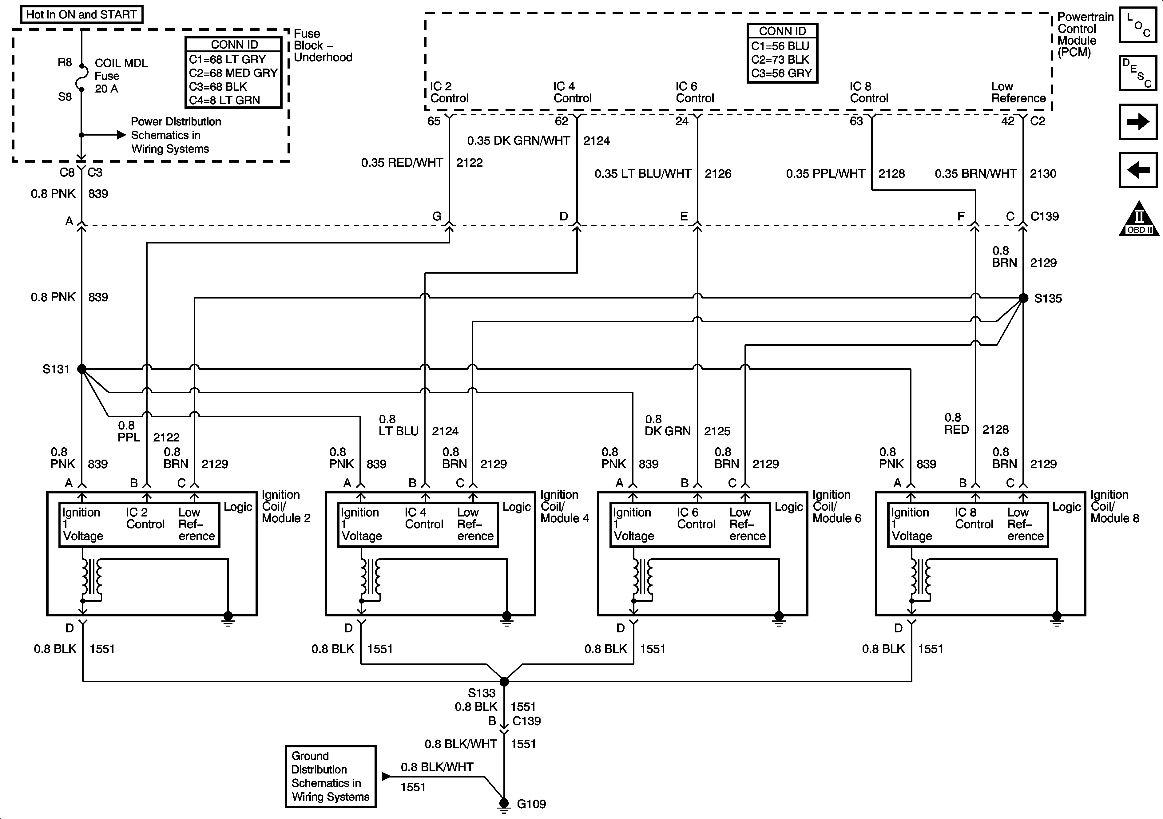
🢒 Ignition System - Bank 2
Ignition System - Bank 2
Ignition System - Bank 2
Master Electrical Component List
Electronic Ignition (EI) System Description
Ignition Controls - Sensors
Ignition System - Bank 1
OBD II Symbol Description Notice
OXY SEN, CR CONT, COIL MDL, and TRANS Fuses - 4.6L
G109 - 4.6L