GM Service Manual Online
For 1990-2009 cars only
Makes
🢒
Pontiac
🢒
2005
🢒
Wave
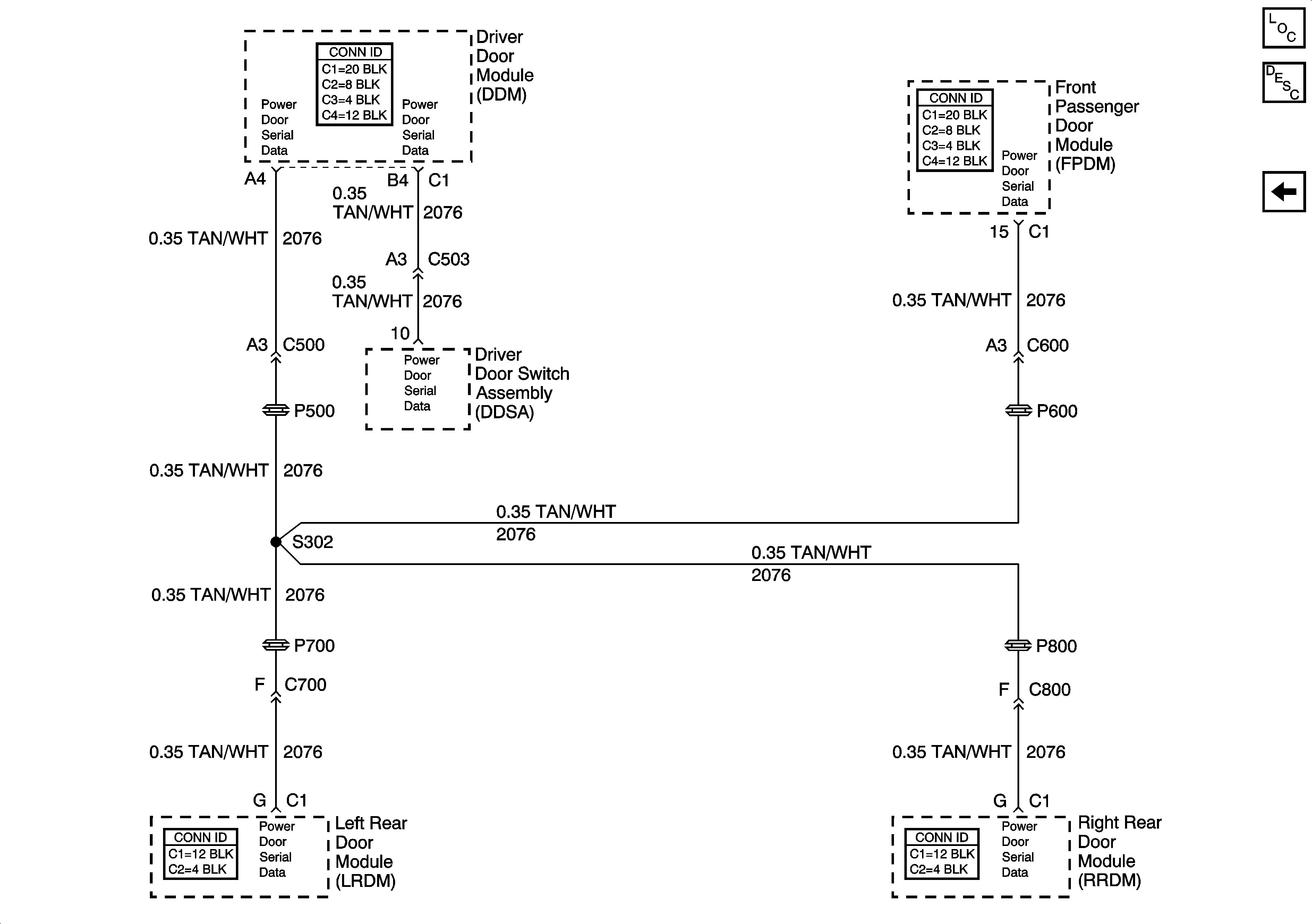
🢒 Simple Bus Interface (SBI)
Simple Bus Interface (SBI)
Simple Bus Interface (SBI)
Master Electrical Component List
Power Door Locks Description and Operation
Driver Door Switch Assembly