GM Service Manual Online
For 1990-2009 cars only
Makes
🢒
Pontiac
🢒
2005
🢒
Wave
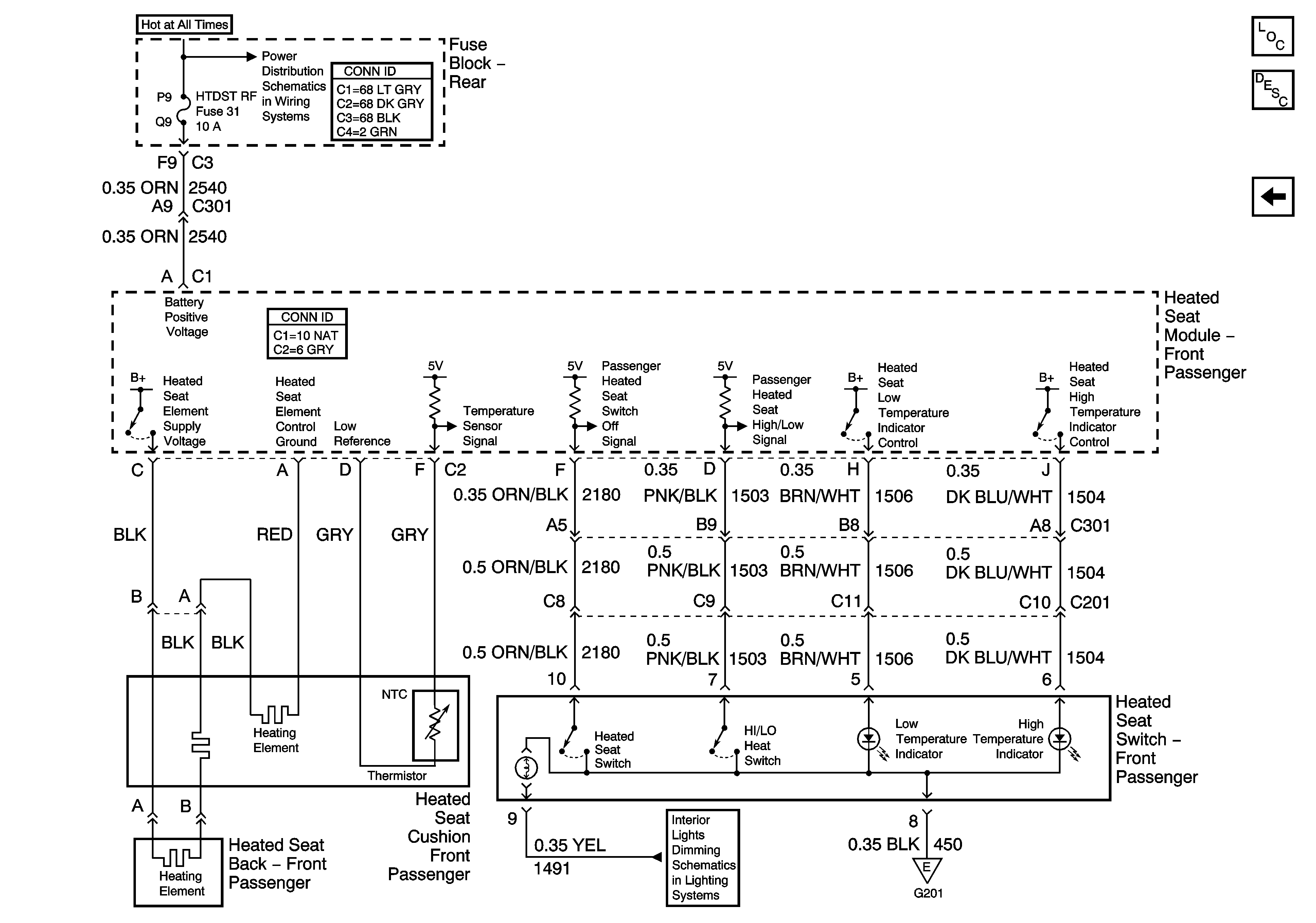
🢒 Heated Seat - Cushion and Switch
Heated Seat - Cushion and Switch
Heated Seat - Cushion and Switch
Master Electrical Component List
Heated Seats Description and Operation
Antenna Module
HTDST RF, HTDST LF, DIM, and MEM Fuses
Front Floor Lamps, and Heated Seat Dimming
Heated Seat Cushion, and Switch