GM Service Manual Online
For 1990-2009 cars only
Makes
🢒
Pontiac
🢒
2005
🢒
Wave
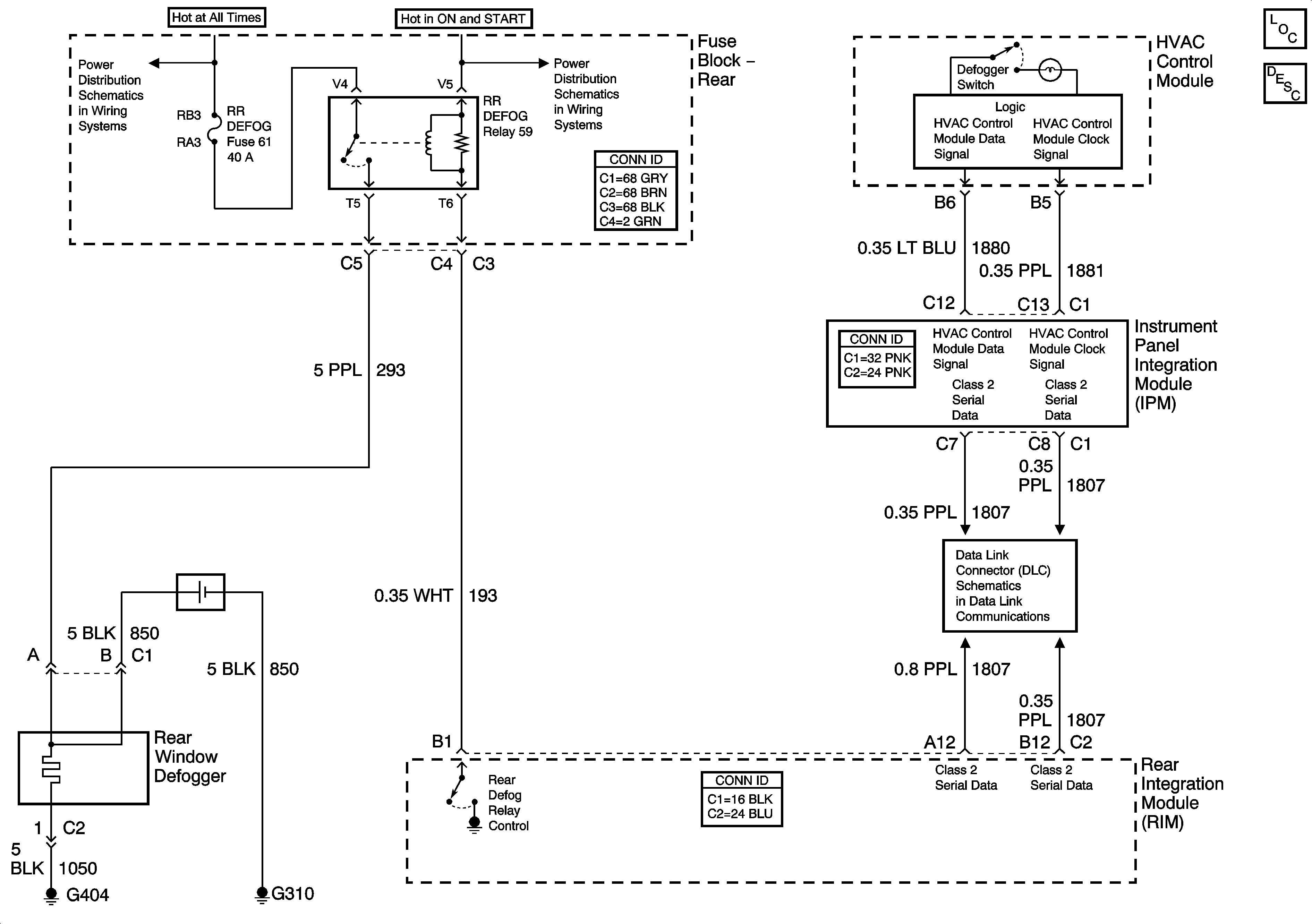
🢒 Defogger Schematic (CJ2)
Defogger Schematic (CJ2)
Master Electrical Component List
Rear Window Defogger Description and Operation
ELC, RR DEFOG, and ALDL Fuses
ELC, RR DEFOG, and ALDL Fuses
Serial Data Class 2