GM Service Manual Online
For 1990-2009 cars only
Makes
🢒
Pontiac
🢒
2005
🢒
Wave
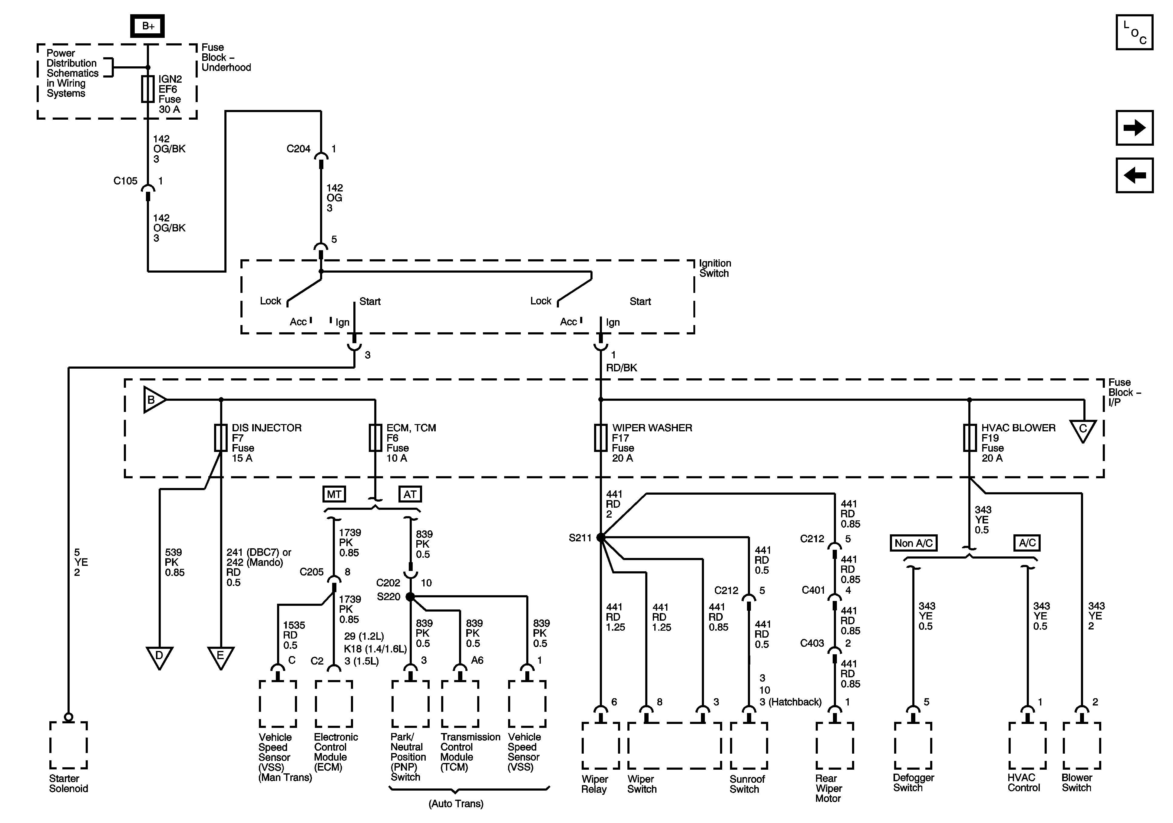
🢒 Underhood Fuse Block - IGN 2 Fuse, Ignition Switch, I/P Fuse Block - DIS INJECTOR, ECM TCM, WIPER WASHER, andHVAC BLOWER Fuses
Underhood Fuse Block - IGN 2 Fuse, Ignition Switch, I/P Fuse Block - DIS INJECTOR, ECM TCM, WIPER WASHER, andHVAC BLOWER Fuses
Underhood Fuse Block - IGN 2 Fuse, Ignition Switch, I/P Fuse Block - DIS INJECTOR, ECM TCM, WIPER WASHER, and HVAC BLOWER Fuses
Master Electrical Component List
Instrument Panel Fuse Block - DIS INJECTOR Fuse
Underhood Fuse Block - IGN 1 Fuse, Ignition Switch, I/P Fuse Block - CIGAR JACK, AUDIO CLOCK, METER CLOCK, TSIG, BACKUP LAMP, and AIR BAG Fuses
Underhood Fuse Block - IGN 1 Fuse, Ignition Switch, I/P Fuse Block - CIGAR JACK, AUDIO CLOCK, METER CLOCK, TSIG, BACKUP LAMP, and AIR BAG Fuses
Instrument Panel Fuse Block - DIS INJECTOR Fuse
Instrument Panel Fuse Block - ABS, ENGINE Fuse
Underhood Fuse Block - Battery Feeds