GM Service Manual Online
For 1990-2009 cars only
Makes
🢒
Pontiac
🢒
2005
🢒
Wave
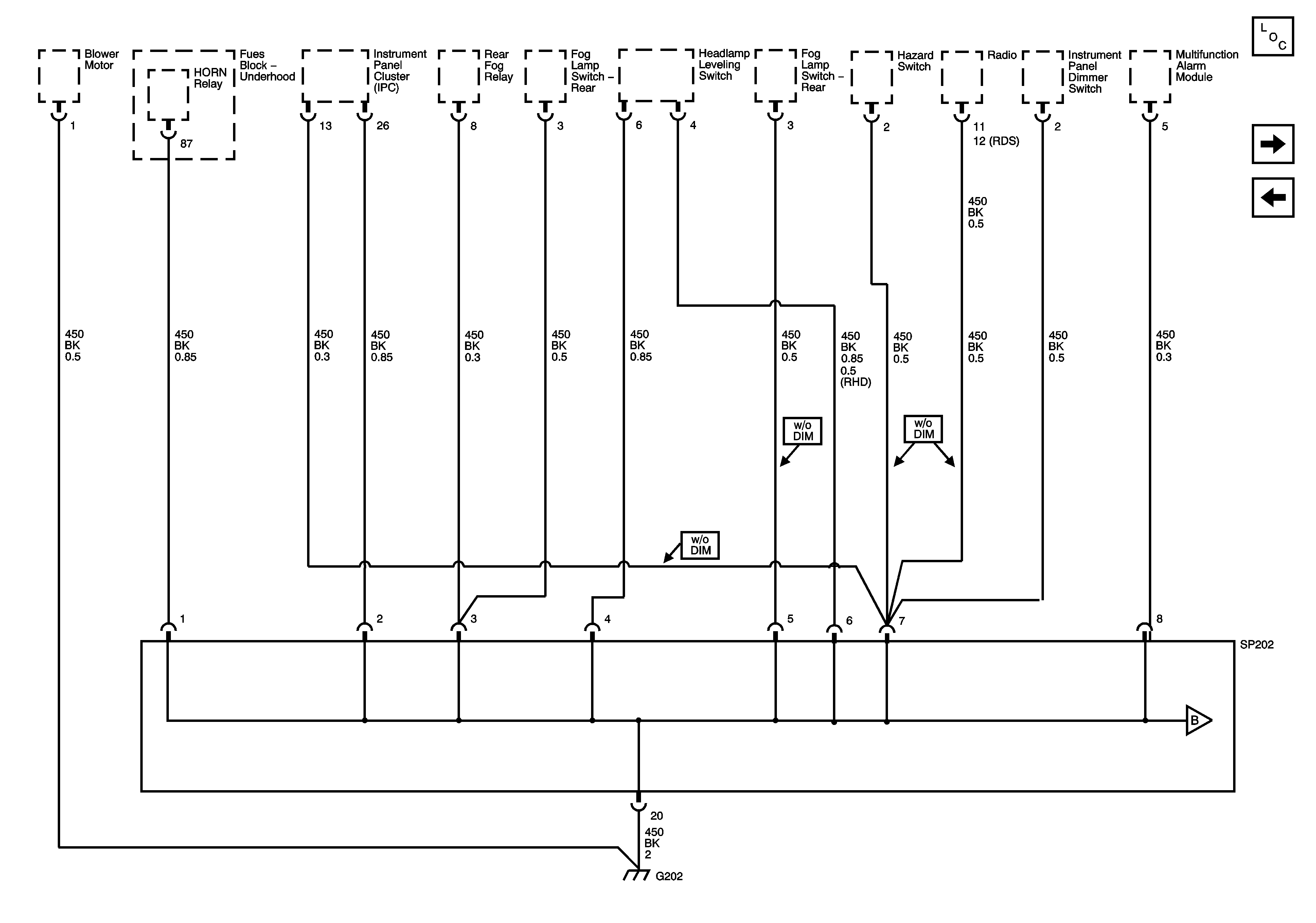
🢒 G202 - 1 of 3
G202 - 1 of 3
G202 1 of 3
Master Electrical Component List
G202 - 2 of 3
G104
G202 - 2 of 3