GM Service Manual Online
For 1990-2009 cars only
Makes
🢒
Pontiac
🢒
2005
🢒
Wave
🢒 Starting Systems
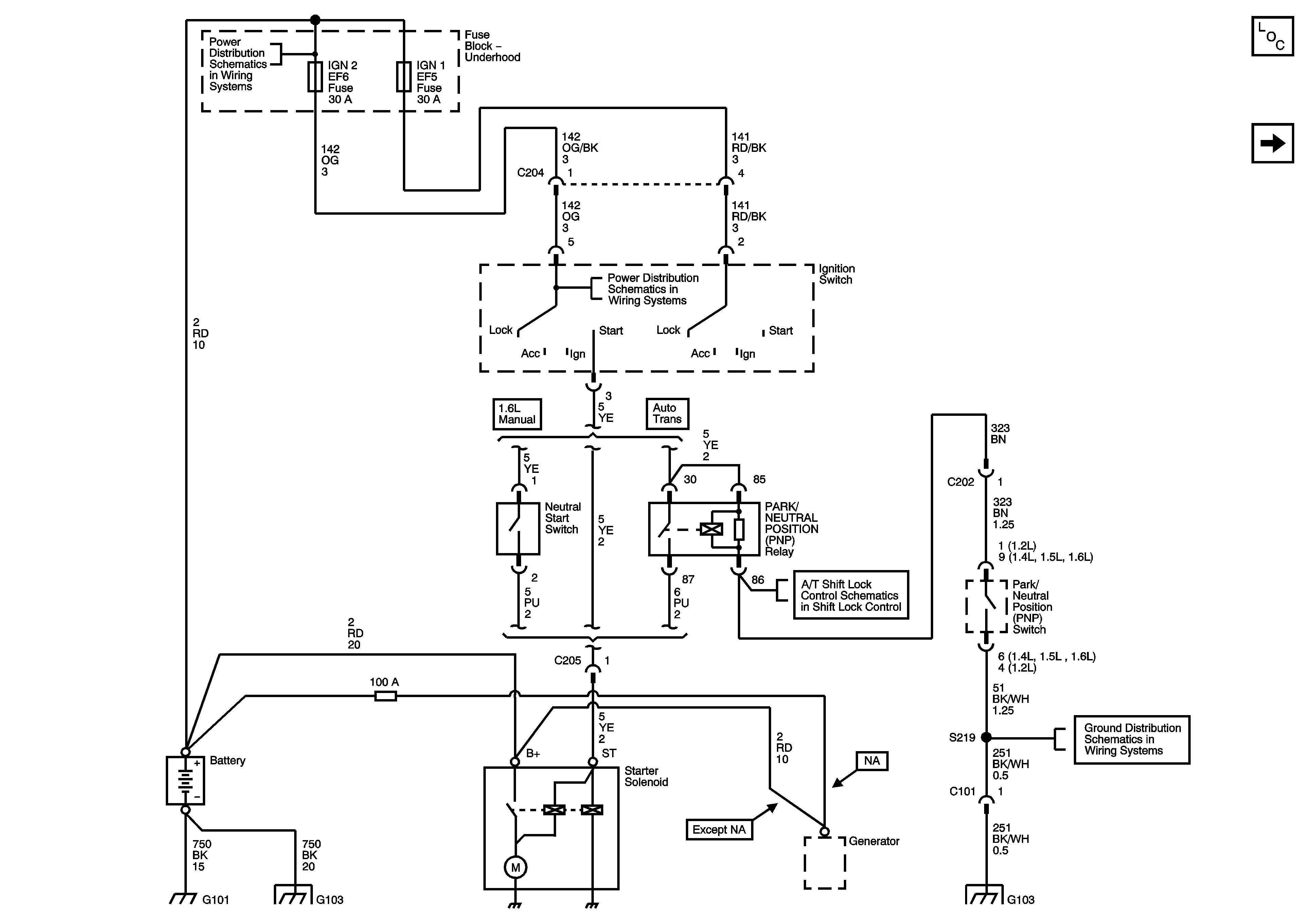
Starting Systems
Starting Systems
Master Electrical Component List
Charging Systems
Underhood Fuse Block - IGN 1 Fuse, Ignition Switch, I/P Fuse Block - CIGAR JACK, AUDIO CLOCK, METER CLOCK, TSIG, BACKUP LAMP, and AIR BAG Fuses
Shift Lock Control - Except North America
Shift Lock Control - North America
G103 - Sirius D4
G101, G102 and G105
G103 - Sirius D4
G103 - Sirius D4