GM Service Manual Online
For 1990-2009 cars only
Makes
🢒
Pontiac
🢒
2005
🢒
Wave
🢒 DBC7
DBC7
Master Electrical Component List
Underhood Fuse Block - I/P Fuses, I/P Fuse Block - HORN, STOPLAMP, METER HAZARD, DOOR LOCK RKE, ECM, TCM, and CLOCK AUDIO Fuses
Underhood Fuse Block - IGN 1 Fuse, Ignition Switch, I/P Fuse Block - CIGAR JACK, AUDIO CLOCK, METER CLOCK, TSIG, BACKUP LAMP, and AIR BAG Fuses
Underhood Fuse Block - IGN 1 Fuse, Ignition Switch, I/P Fuse Block - CIGAR JACK, AUDIO CLOCK, METER CLOCK, TSIG, BACKUP LAMP, and AIR BAG Fuses
Steering Column/Ignition Lock
G101, G102 and G105
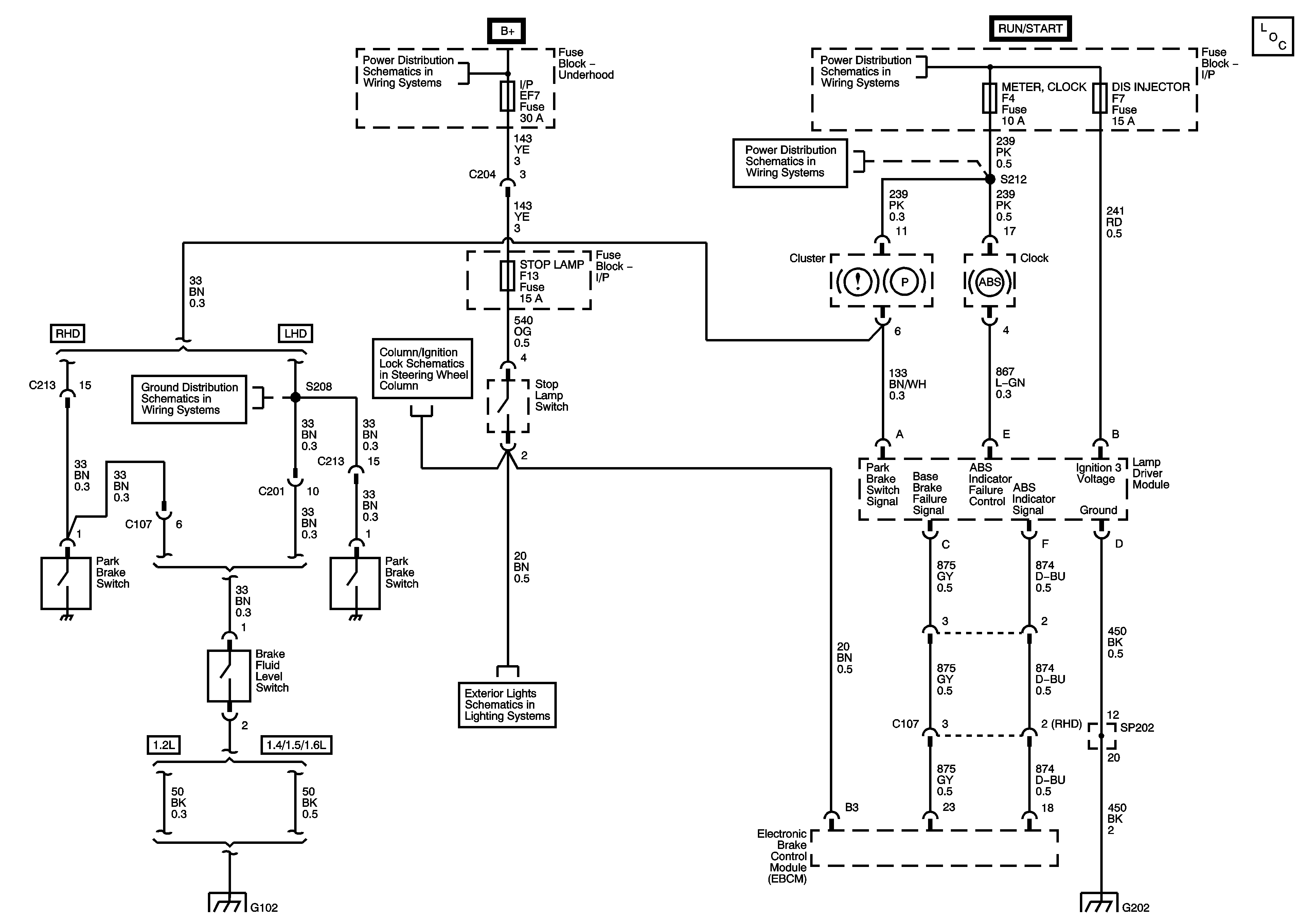
Stop Lamps CHMSL
G101, G102 and G105
G202 - 2 of 3