GM Service Manual Online
For 1990-2009 cars only
Makes
🢒
Pontiac
🢒
2005
🢒
Wave
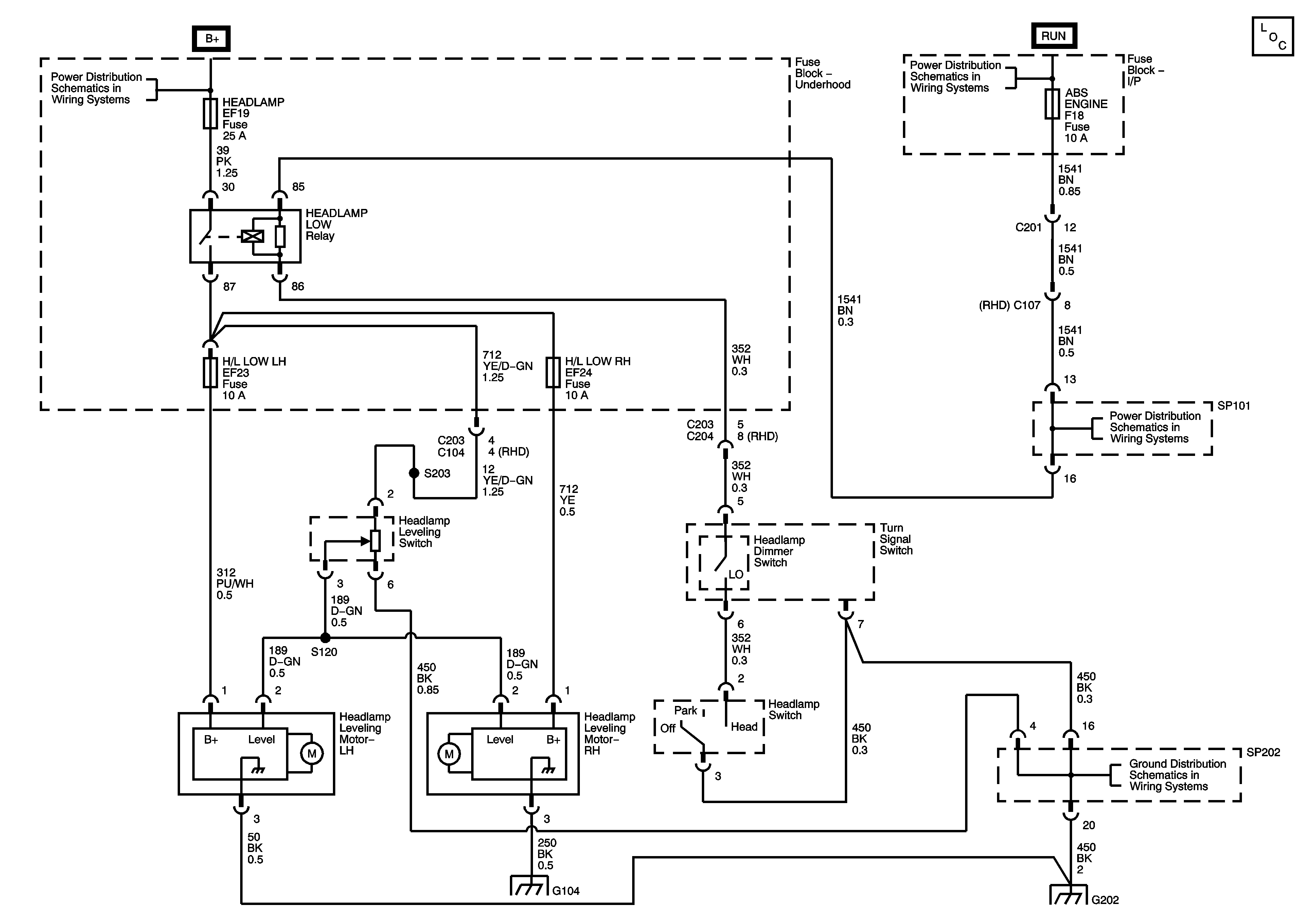
🢒 Headlamp Leveling
Headlamp Leveling
Master Electrical Component List
Underhood Fuse Block - A/C COMP, HEADLAMP, H/L LOW RH. H/L LOW LH, H/L HI LH, H/L HI RH Fuses
Instrument Panel Fuse Block - ABS, ENGINE Fuse
Instrument Panel Fuse Block - ABS, ENGINE Fuse
G102
G104
G102