GM Service Manual Online
For 1990-2009 cars only
Makes
🢒
Pontiac
🢒
2005
🢒
Wave
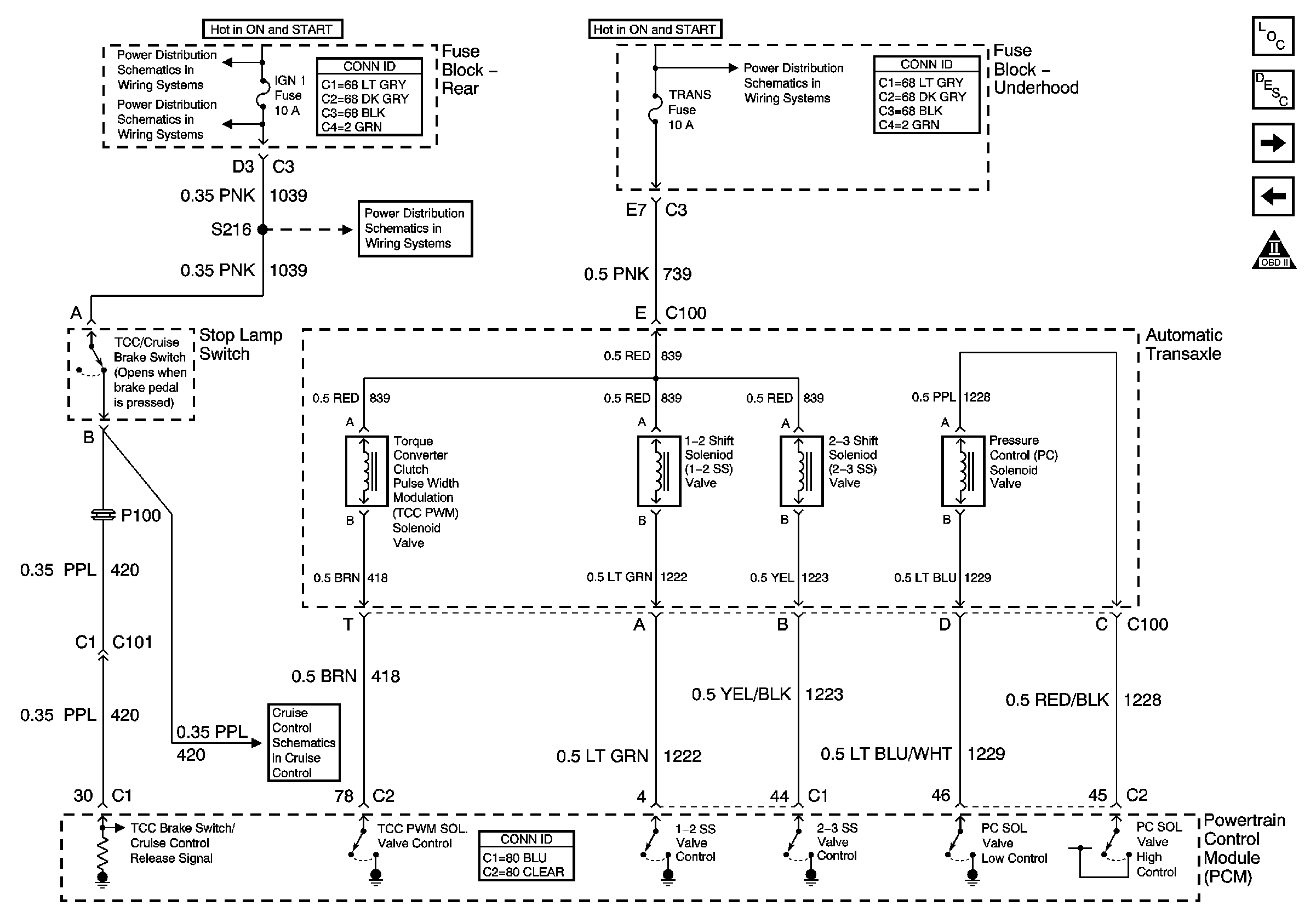
🢒 Power to the Transaxle and Solenoid Controls
Power to the Transaxle and Solenoid Controls
Power to the Transaxle and Solenoid Controls
Master Electrical Component List
IGN 1, Vent Sol, and SIR Fuses (Fuse Block Rear)
IGN 1, Vent Sol, and SIR Fuses (Fuse Block Rear)
Power and Ground
IGN 1, Vent Sol, and SIR Fuses (Fuse Block Rear)
TRANS, DIS, OXY SEN, IGN 1 Fuses and the IGN-1 and AIR Pump Relays(Fuse Block Underhood)
Internal Mode Switch Inputs
Transaxle Inputs