GM Service Manual Online
For 1990-2009 cars only
Makes
🢒
Pontiac
🢒
2005
🢒
Wave
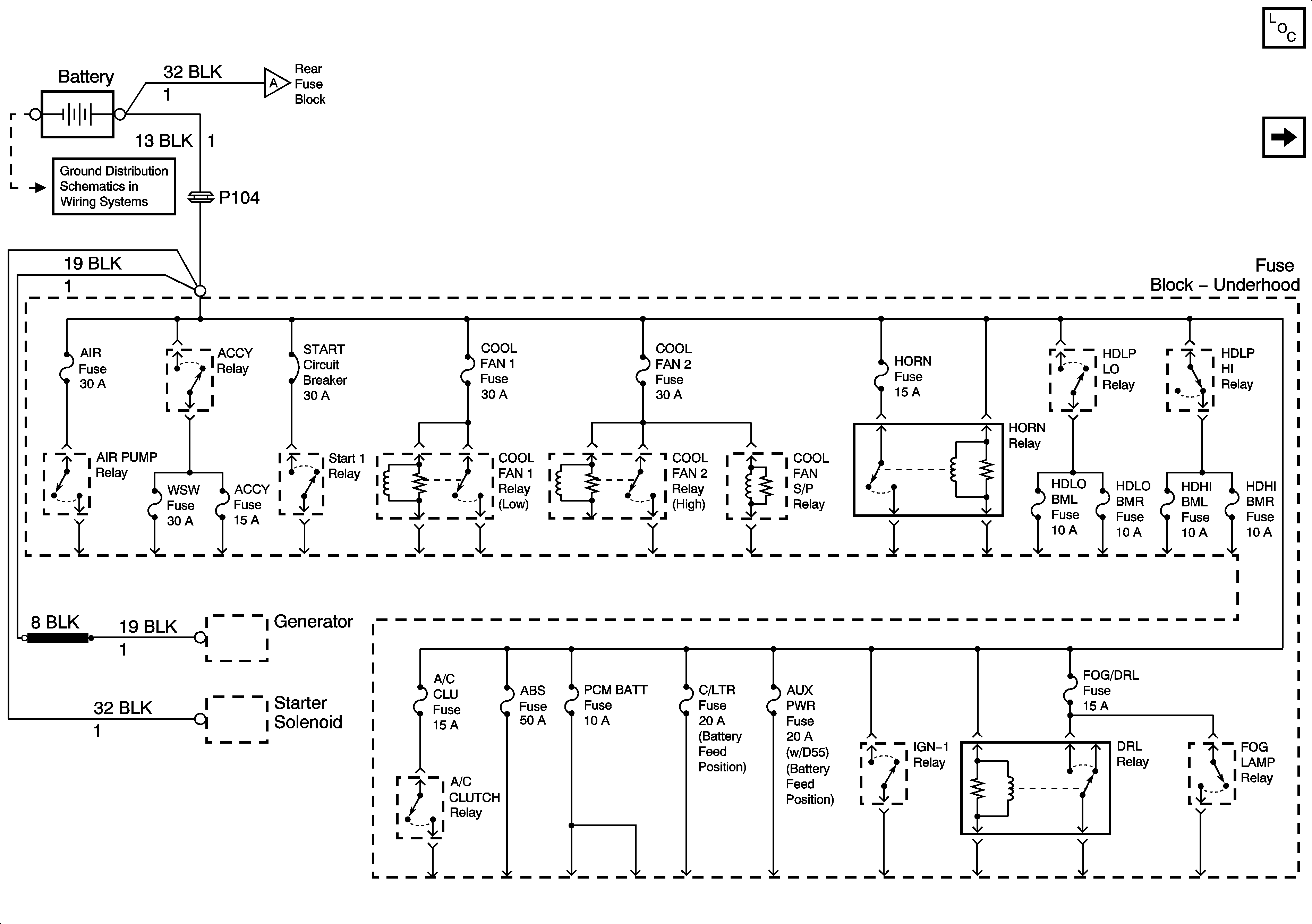
🢒 Battery Feed to the Fuse Block Underhood
Battery Feed to the Fuse Block Underhood
Battery Feed to the Fuse Block Underhood
Master Electrical Component List
G303, G305, G310, and G404
Battery Voltage to the Rear Fuse Block
Battery Voltage to the Rear Fuse Block