GM Service Manual Online
For 1990-2009 cars only
Makes
🢒
Pontiac
🢒
2005
🢒
Wave
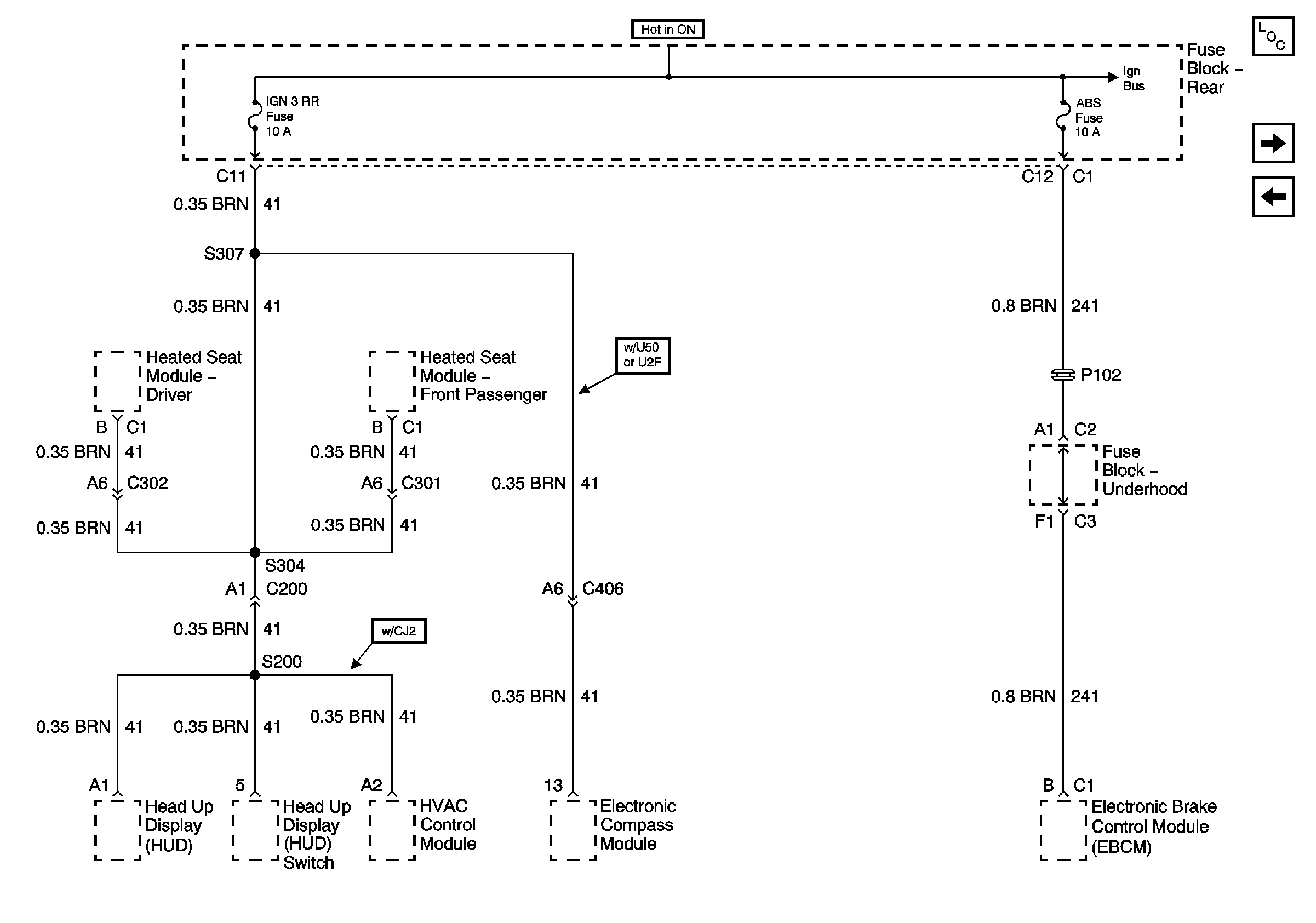
🢒 IGN3 and ABS Fuses (Fuse Block Rear)
IGN3 and ABS Fuses (Fuse Block Rear)
IGN3 and ABS Fuses (Fuse Block Rear)
Master Electrical Component List
HVAC Fuse (Fuse Block Rear)
IGN 1, Vent Sol, and SIR Fuses (Fuse Block Rear)