GM Service Manual Online
For 1990-2009 cars only

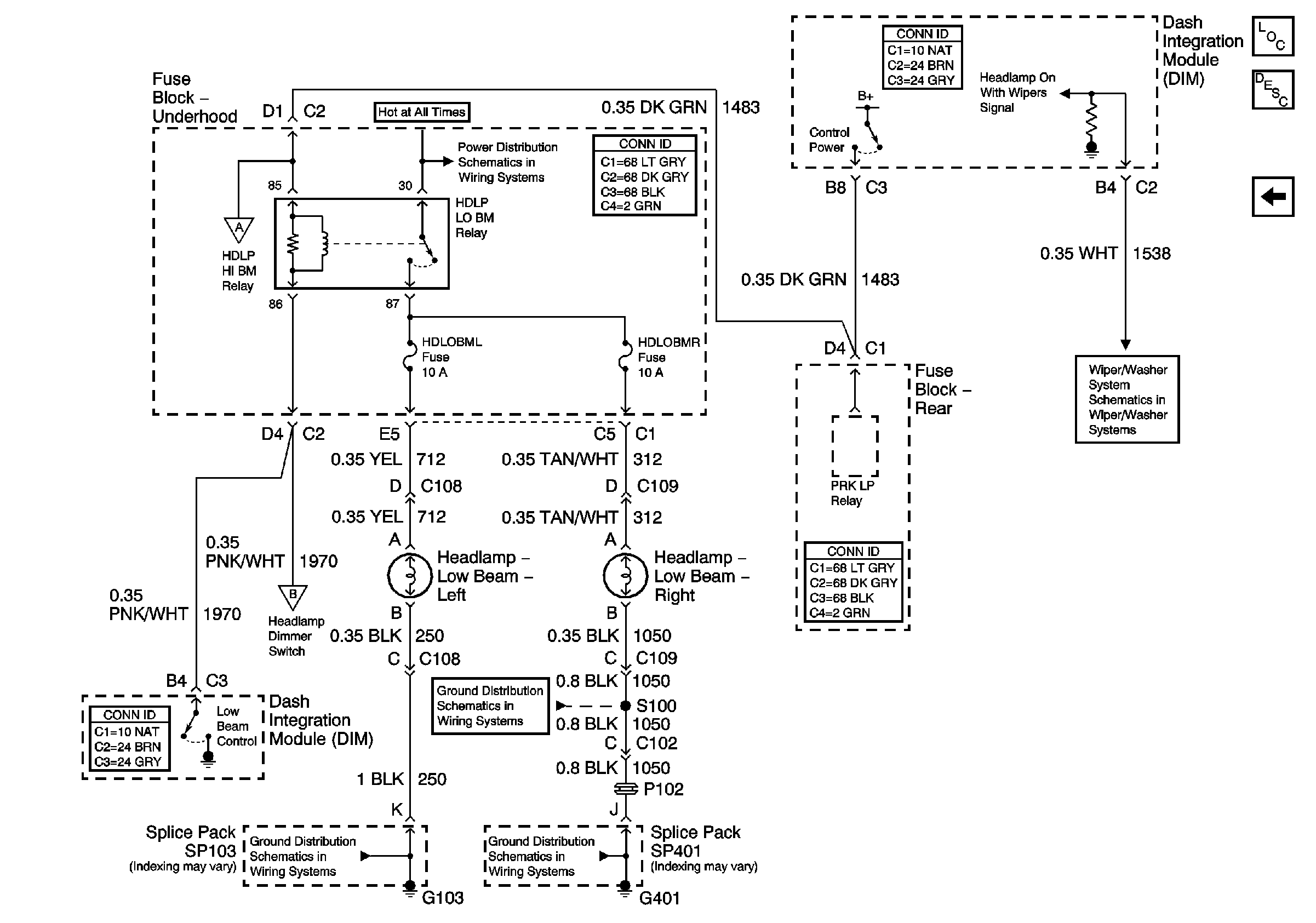
Low Beam Headlamps

Low Beam Headlamps


Object Number: 765779  Size: FS
Master Electrical Component List
DRL Controls and High Beam Headlamps
DRL Controls and High Beam Headlamps
G103
Fog Lamp and Headlamp Fuses and Relays (Fuse Block Underhood)
G401 (2 of 2)
G401 (2 of 2)
Power and Ground
DRL Controls and High Beam Headlamps