GM Service Manual Online
For 1990-2009 cars only
Makes
🢒
Pontiac
🢒
2005
🢒
Wave
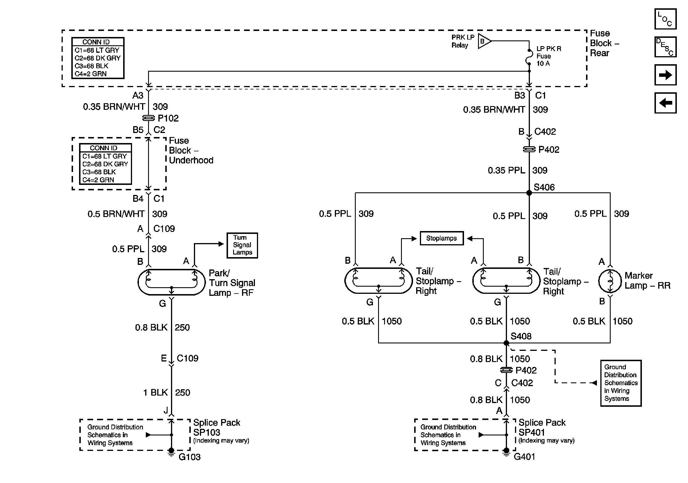
🢒 Right Park and Side Marker Lamps
Right Park and Side Marker Lamps
Right Park and Side Marker Lamps
Master Electrical Component List
G103
Turn Signal Lamps and Indicators
Park LP Relay and License Lamps
Stop Lamps
G401 (2 of 2)
G401 (2 of 2)
Park LP Relay and License Lamps
Left Park and Side Marker Lamps