GM Service Manual Online
For 1990-2009 cars only
Makes
🢒
Pontiac
🢒
2005
🢒
Wave
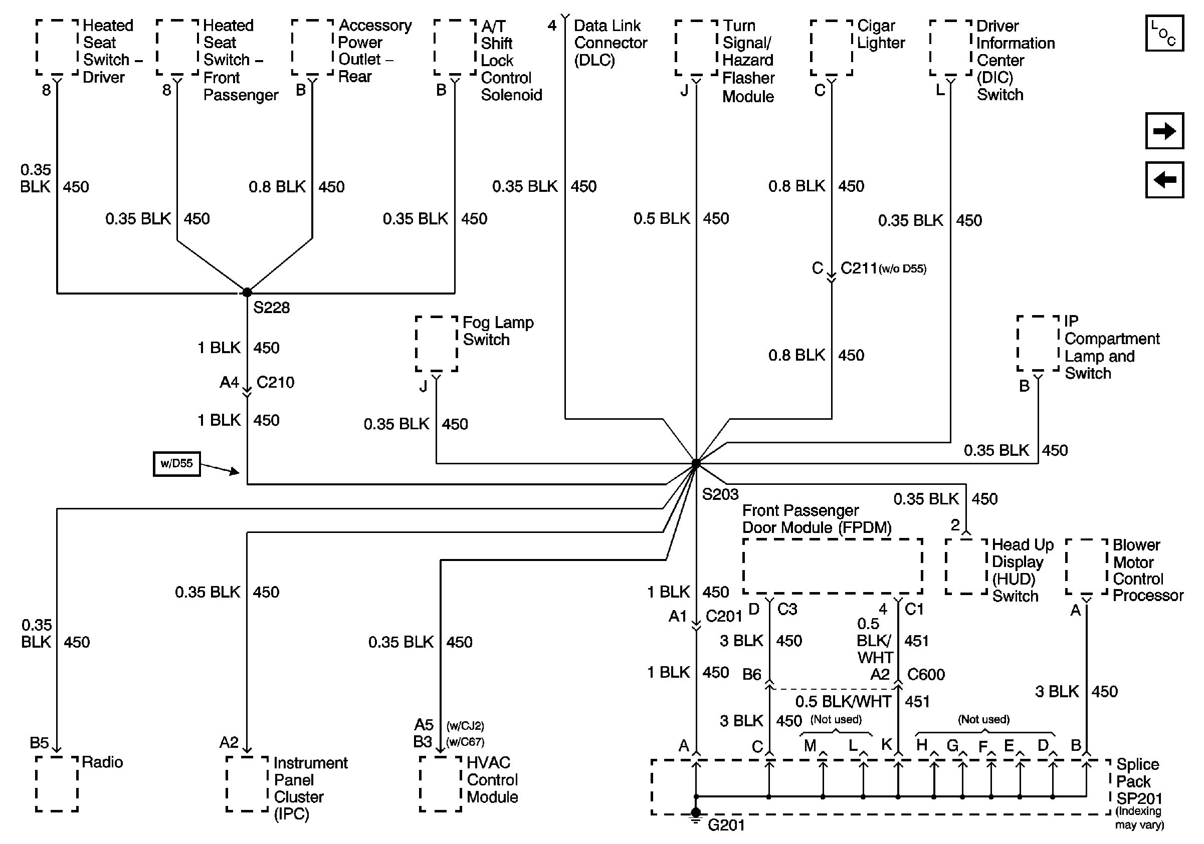
🢒 G201 (1 of 2)
G201 (1 of 2)
G201 (1 of 2)
Master Electrical Component List
G201 (2 of 2)
G200