GM Service Manual Online
For 1990-2009 cars only

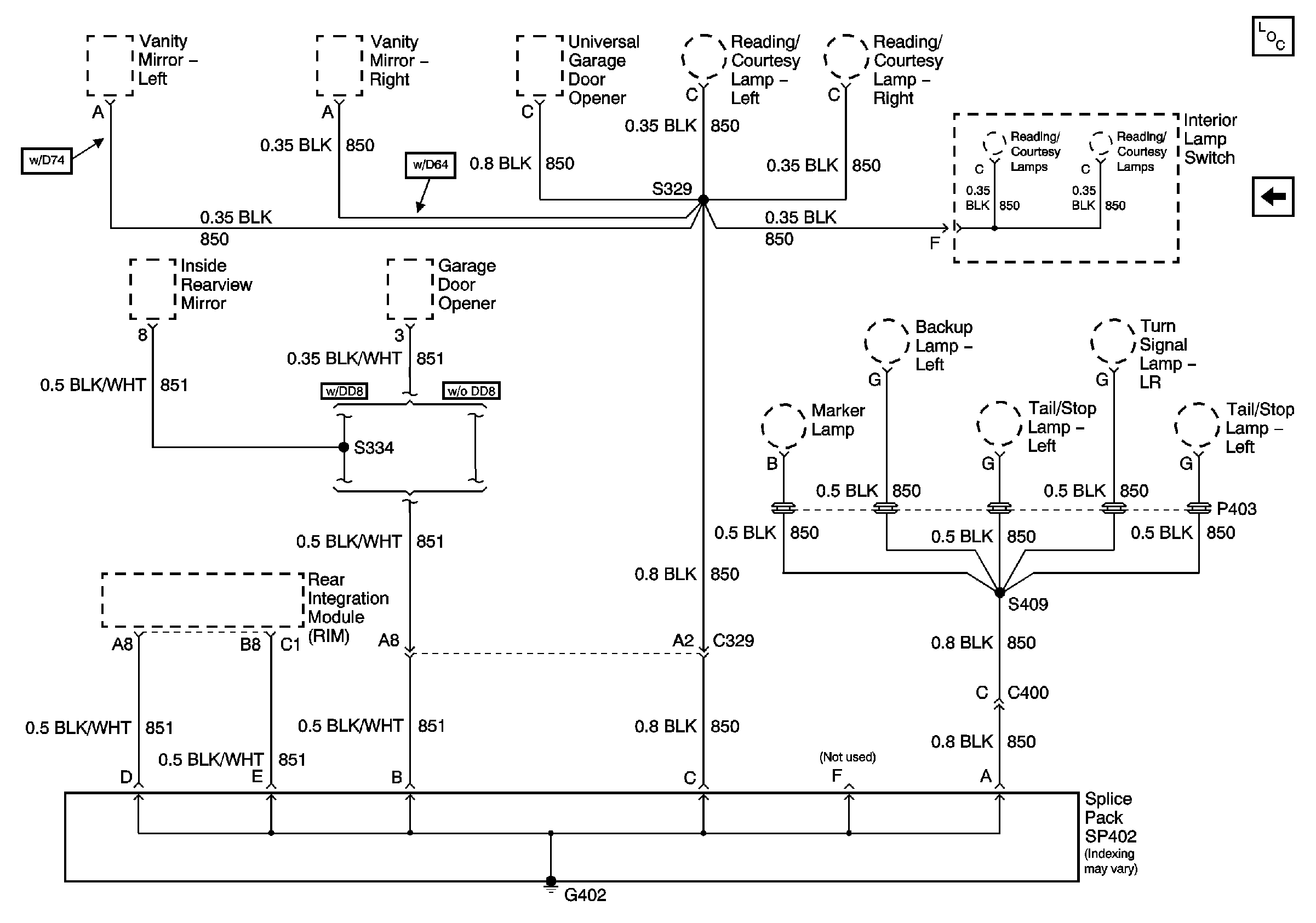
G402

G402


Object Number: 765249  Size: FS
Master Electrical Component List
G401 (2 of 2)