GM Service Manual Online
For 1990-2009 cars only
Makes
🢒
Pontiac
🢒
2005
🢒
Wave
🢒 Device Controls
Device Controls
Device Controls
Master Electrical Component List
Controlled/Monitored Subsystem References
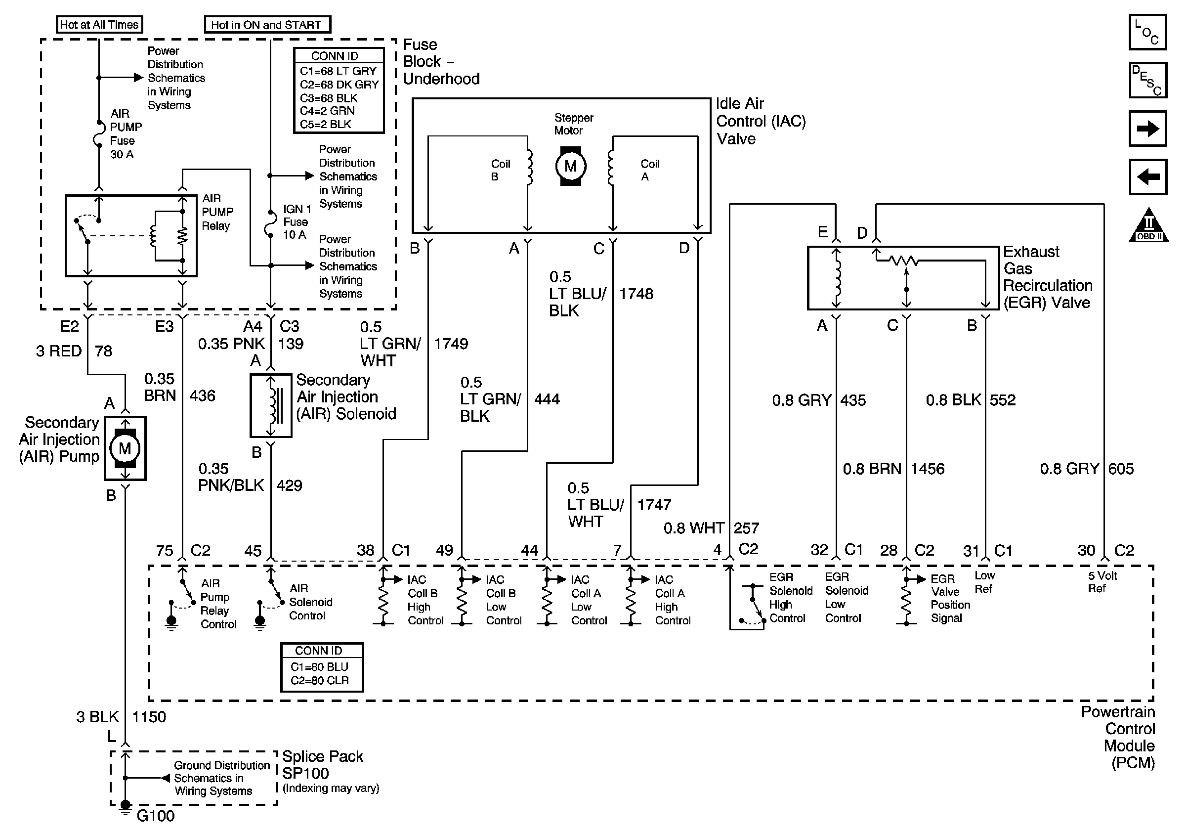
Fuel Sensor and EVAP Solenoid Controls
AIR, C/LTR, AUX PWR, WSW, ACCY Fuses and the AIR Pump and ACCY Relays(Fuse Block Underhood)
TRANS, DIS, OXY SEN, IGN 1 Fuses and the IGN-1 and AIR Pump Relays(Fuse Block Underhood)
TRANS, DIS, OXY SEN, IGN 1 Fuses and the IGN-1 and AIR Pump Relays(Fuse Block Underhood)
G100 and G102