GM Service Manual Online
For 1990-2009 cars only
Makes
🢒
Pontiac
🢒
2005
🢒
Wave
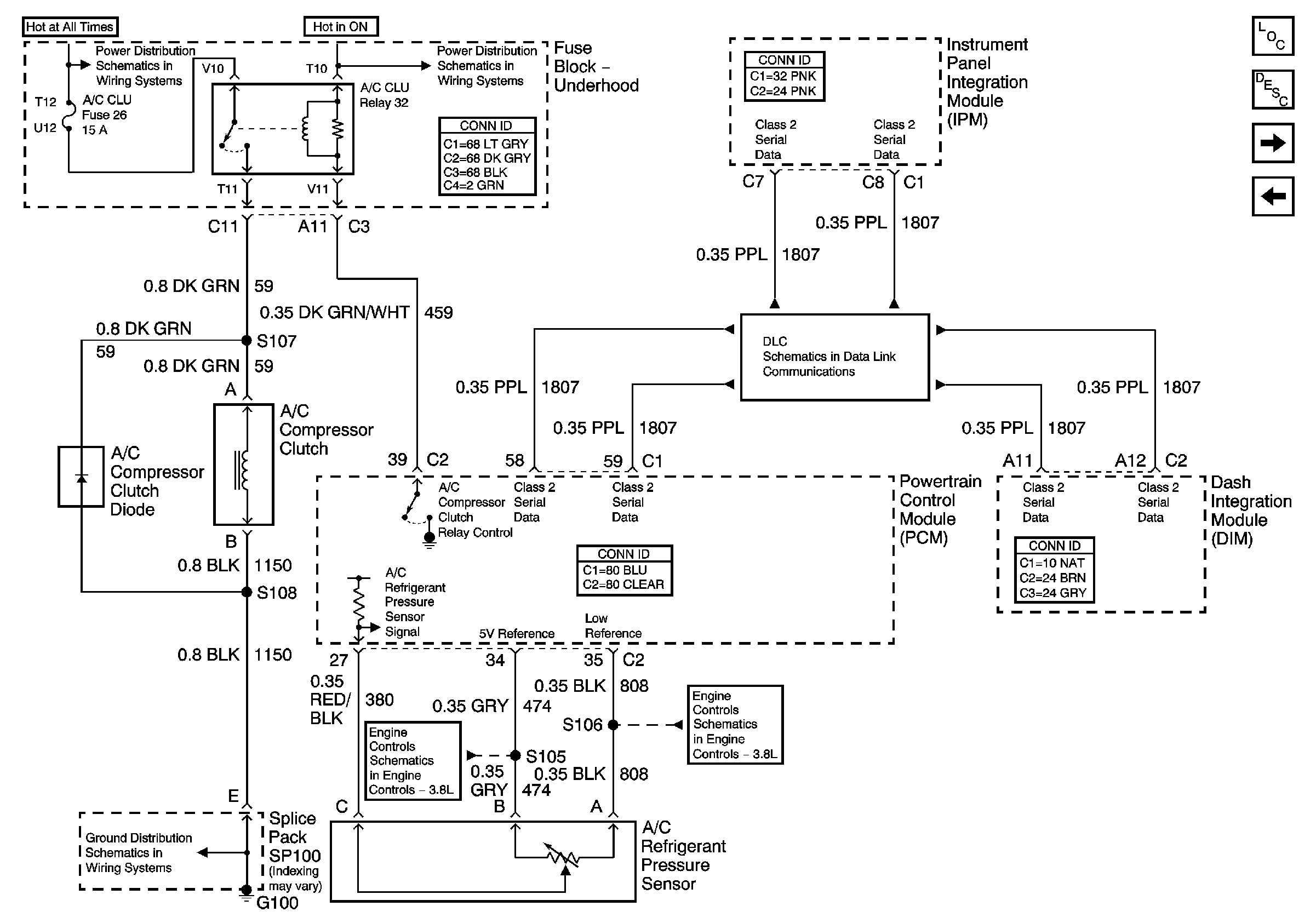
🢒 Compressor Controls w/CJ2
Compressor Controls w/CJ2
Compressor Controls w/CJ2
Master Electrical Component List
Air Temperature Description and Operation
Battery Feed to the Fuse Block Underhood
G100 and G102
Start, Horn, A/C CLU Fuses and Relays (Fuse Block Underhood)
Engine Data Sensors 5 Volt and Low Reference
Engine Data Sensors 5 Volt and Low Reference
Serial Data Class 2
Air Delivery w/CJ2
HVAC Control w/CJ2