GM Service Manual Online
For 1990-2009 cars only
Makes
🢒
Pontiac
🢒
2005
🢒
Wave
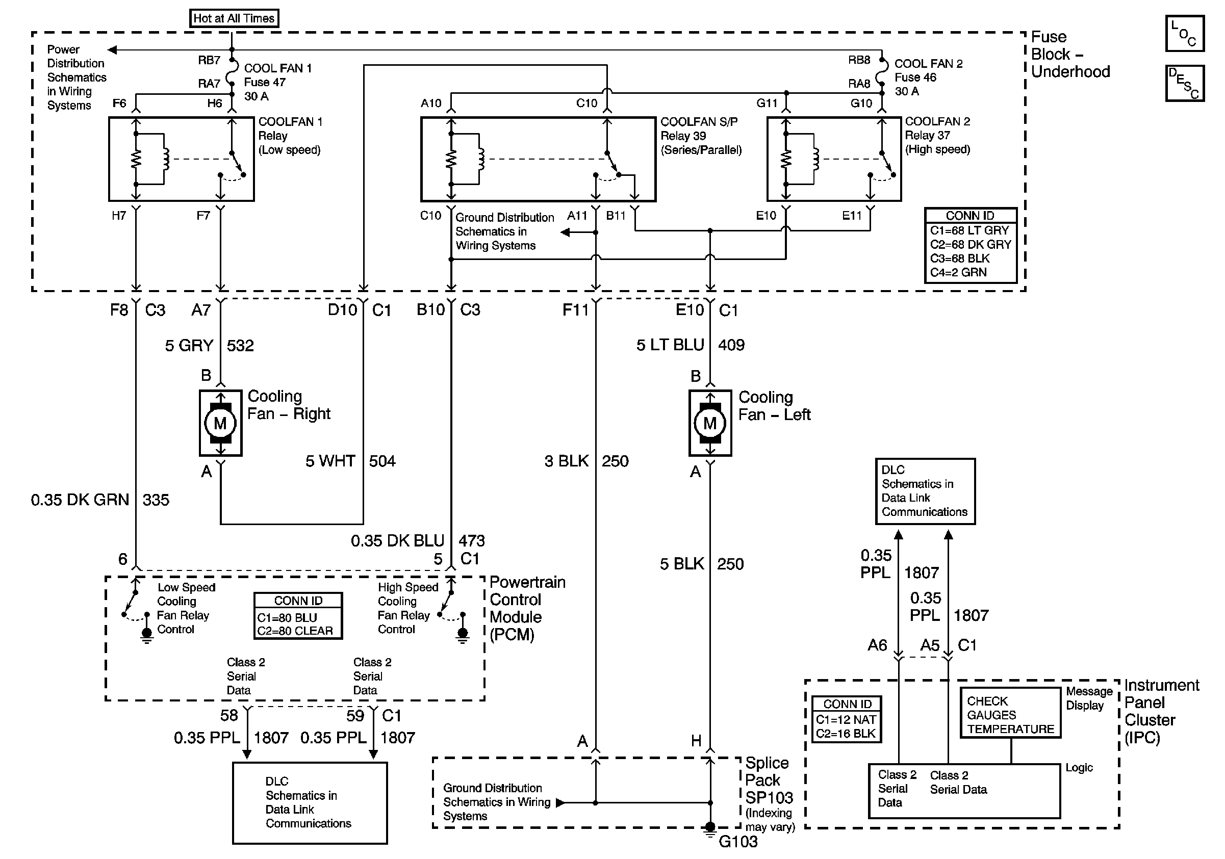
🢒 Engine Cooling Schematic
Engine Cooling Schematic
ABS, PCM BATT Fuses and the Cool Fan 1 Relay (Fuse Block Underhood)
G103
Serial Data Class 2
G103
Master Electrical Component List