GM Service Manual Online
For 1990-2009 cars only
Makes
🢒
Pontiac
🢒
2005
🢒
Wave
🢒 Ignition Switch Positions
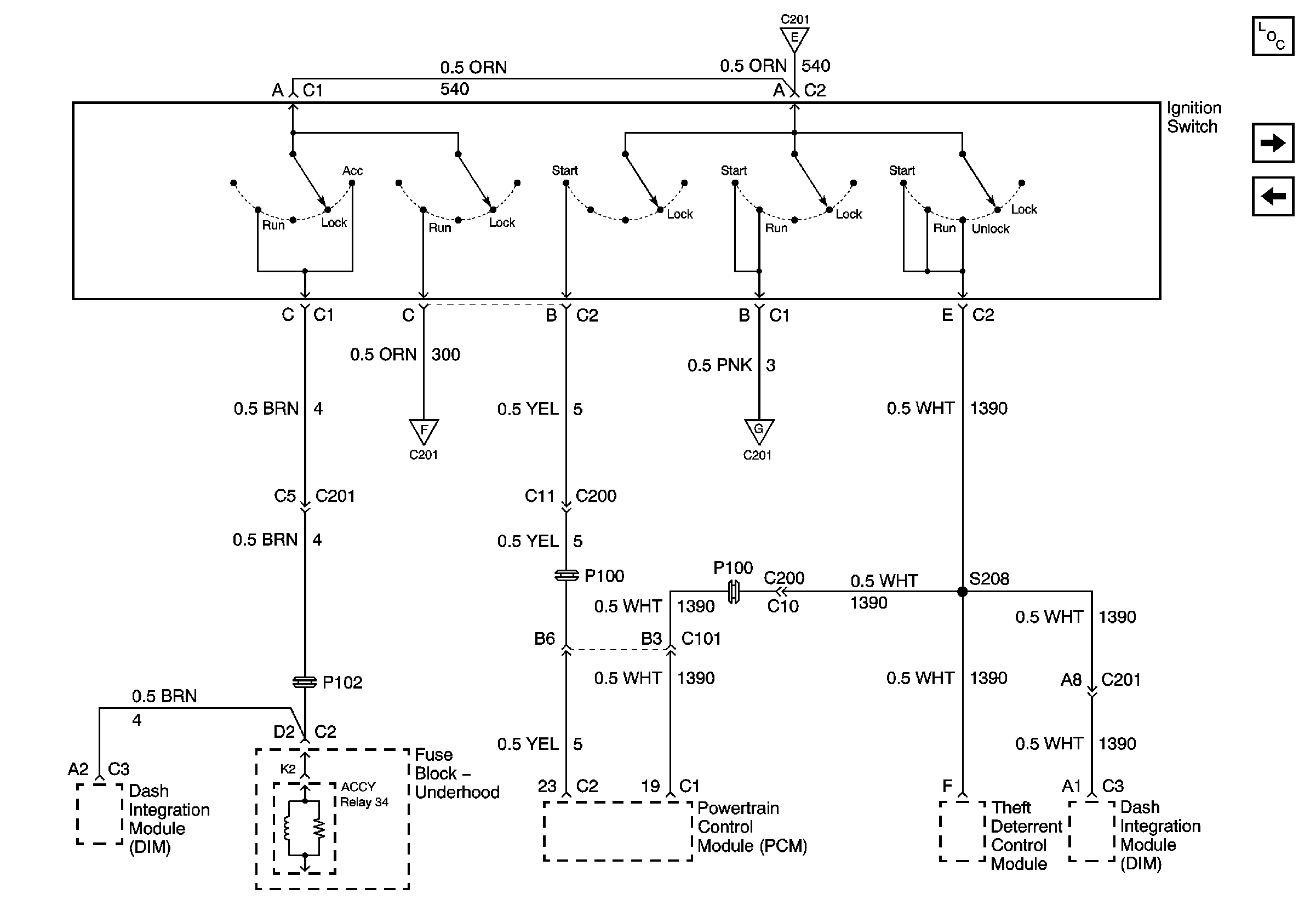
Ignition Switch Positions
Ignition Switch Positions
Master Electrical Component List
IGN SW, PRK/REV Fuses and the PARK and REVERSE Relays (Fuse Block Rear)
Ignition Switch RUN and START/RUN Positions
Ignition Switch RUN and START/RUN Positions
Ignition Switch RUN and START/RUN Positions
IGN SW, PRK/REV Fuses and the PARK and REVERSE Relays (Fuse Block Rear)