GM Service Manual Online
For 1990-2009 cars only
Makes
🢒
Pontiac
🢒
2005
🢒
Wave
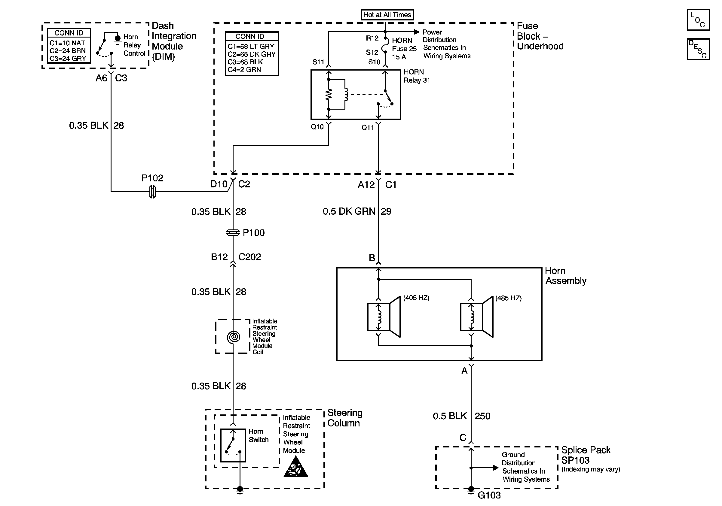
🢒 Horn Schematic
Horn Schematic
Master Electrical Component List
Horns System Description and Operation
Start, Horn, A/C CLU Fuses and Relays (Fuse Block Underhood)
SIR Caution
G103