GM Service Manual Online
For 1990-2009 cars only
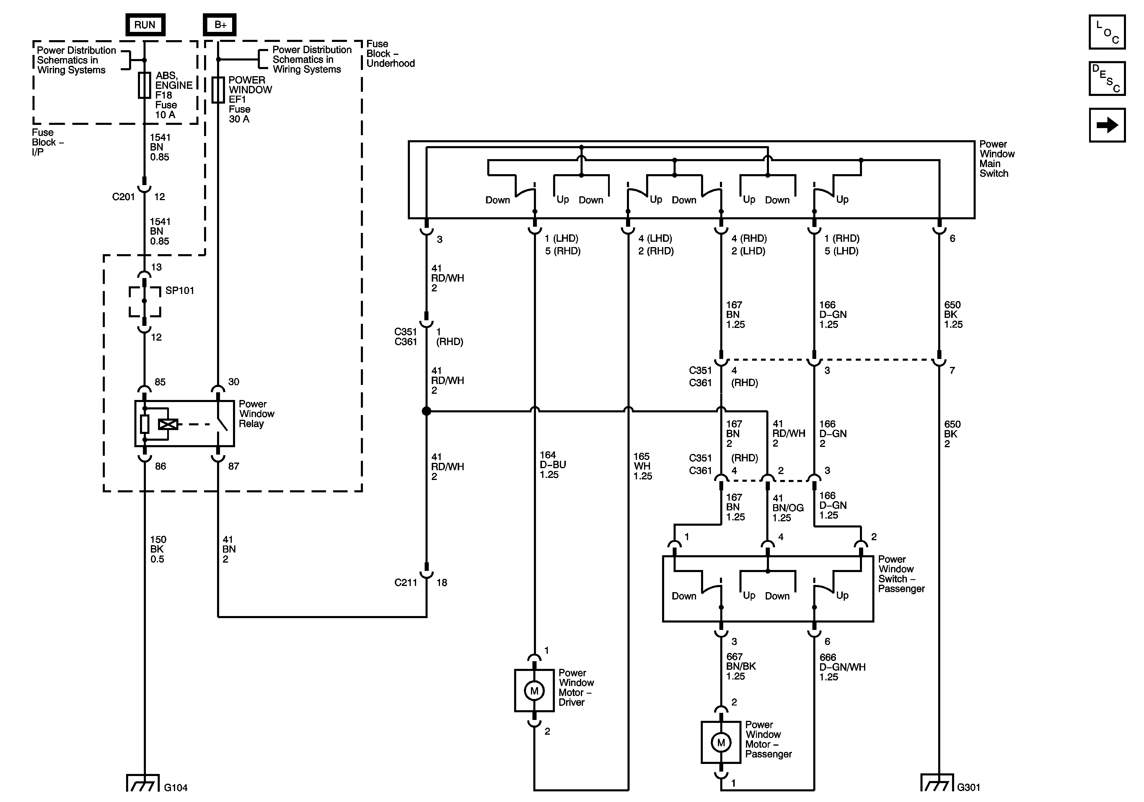
Figure 1:

Front Windows only


Object Number: 1680304  Size: FS
Master Electrical Component List
Power Windows Description and Operation
Power Windows - 4 Windows
Power Distribution - Battery Feed
Power Distribution - Battery Feed
Ground Distribution - G301
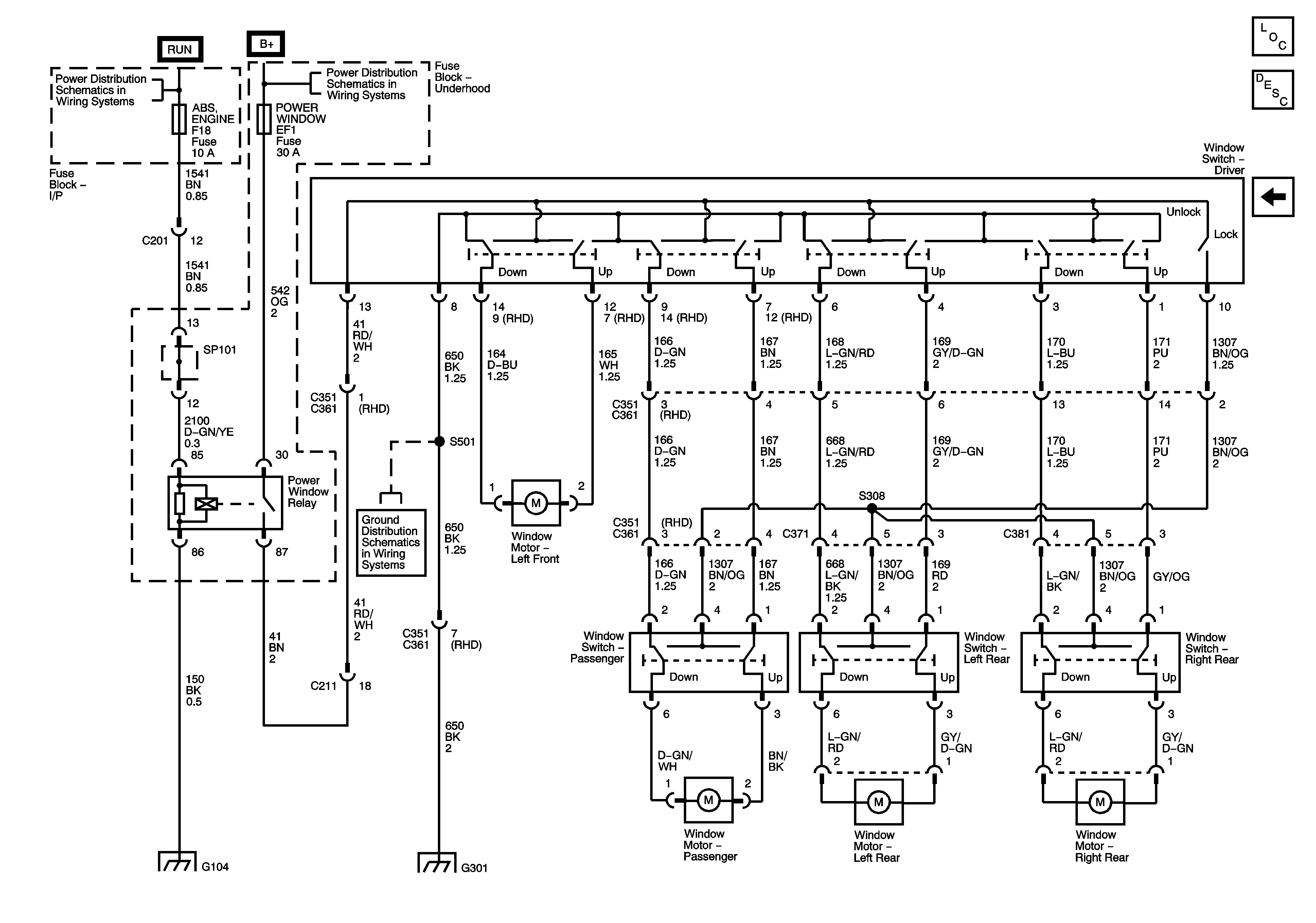
Figure 2:

4 Windows


Object Number: 1680307  Size: FS
Master Electrical Component List
Power Windows Description and Operation
Power Window - Front Windows only
Power Distribution - Battery Feed
Power Distribution - Battery Feed
Ground Distribution - G101, G102, G105
Ground Distribution - G104
Ground Distribution - G301