GM Service Manual Online
For 1990-2009 cars only
Makes
🢒
Pontiac
🢒
2006
🢒
Wave
🢒
Body
🢒
Lighting Systems
🢒 Headlights/Daytime Running Lights (DRL) Schematics
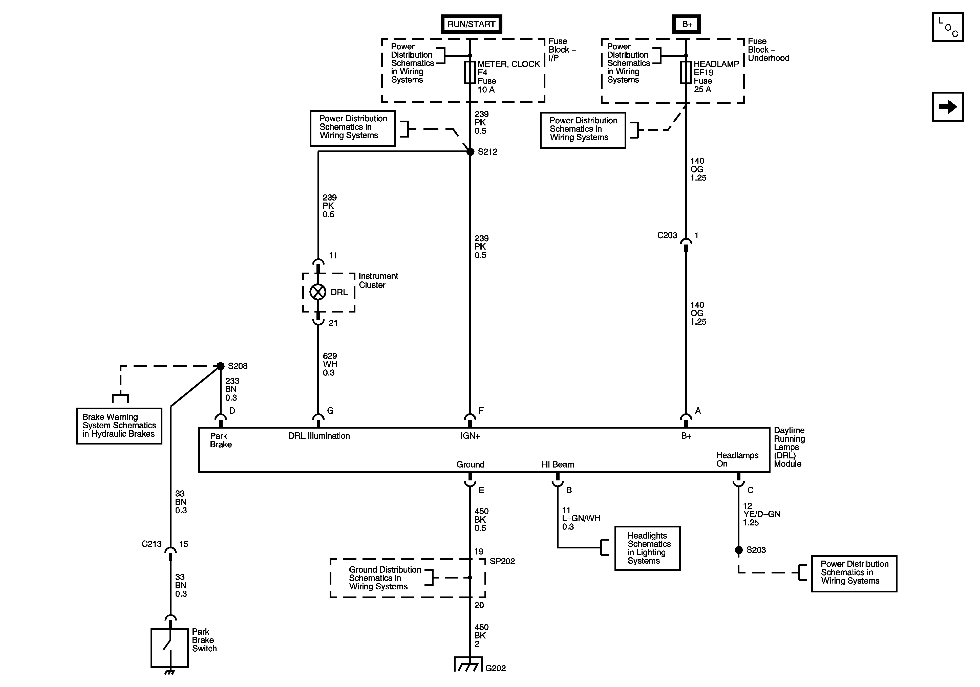
Figure
1:
North America
Master Electrical Component List
DRL - Scandanavia
Power Distribution - Battery Feed
Power Distribution - Battery Feed
Power Distribution - Battery Feed
Power Distribution - Battery Feed
Brake Warning Schematics
Ground Distribution - G101, G102, G105
06 S Car Aveo Figure for Graphic 1680374
Power Distribution - Battery Feed
Ground Distribution - G202 1of3
Figure
2:
Scandinavia
Master Electrical Component List
DRL - North America
Power Distribution - Battery Feed
Power Distribution - Battery Feed
Power Distribution - Battery Feed
Power Distribution - Battery Feed
Power Distribution - Battery Feed
Power Distribution - Battery Feed
Power Distribution - Battery Feed
Ground Distribution - G101, G102, G105
06 S Car Aveo Figure for Graphic 1680374
Power Distribution - Battery Feed
Ground Distribution - G202 1of3