GM Service Manual Online
For 1990-2009 cars only
Makes
🢒
Pontiac
🢒
2006
🢒
Wave
🢒
Transmission/Transaxle
🢒
Shift Lock Control
🢒 Shift Lock Control Schematics
Shift Lock Control Schematics Except North American
Master Electrical Component List
Power Distribution - Battery Feed
Ground Distribution - G101, G102, G105
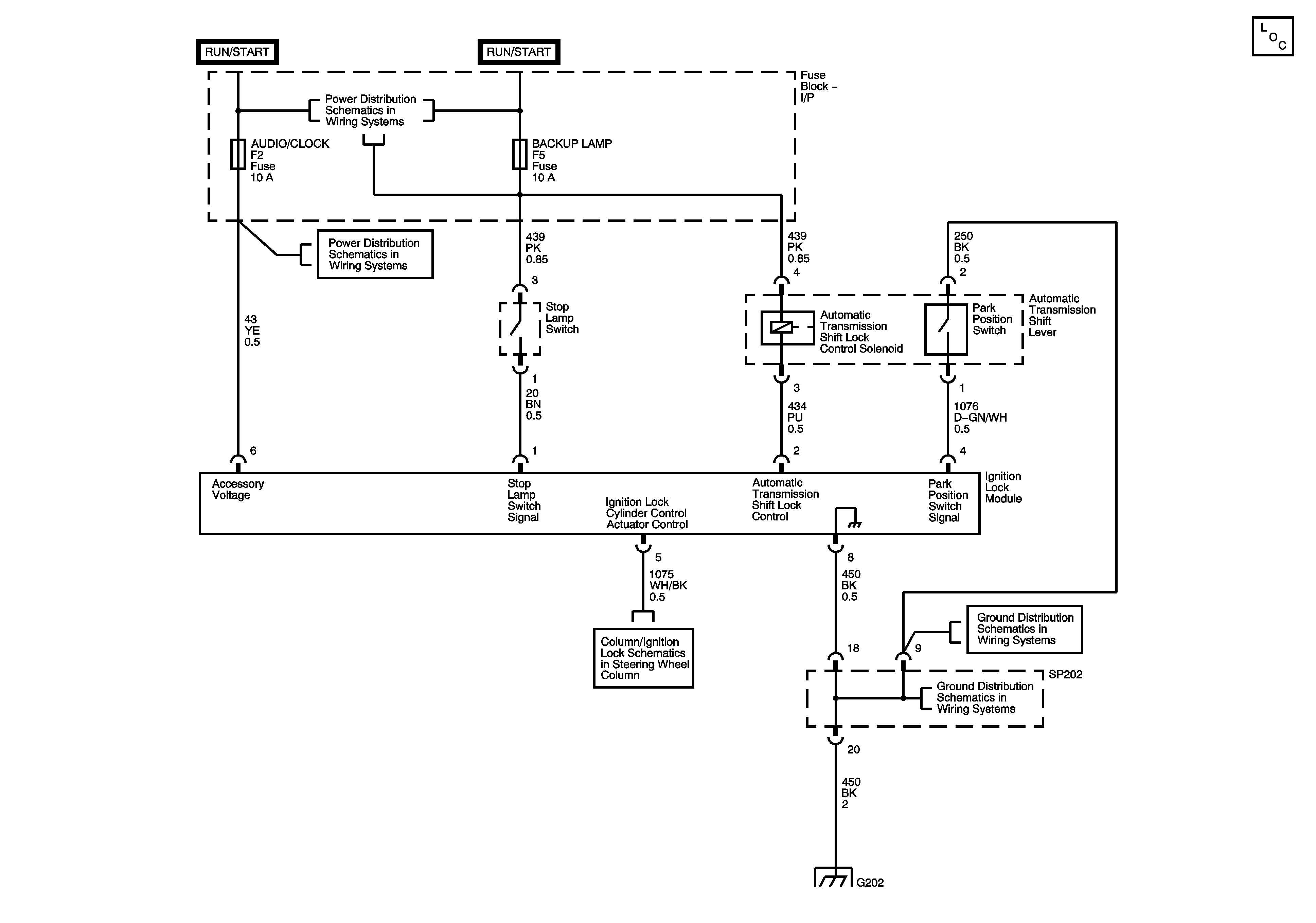
Shift Lock Control Schematics North American
Master Electrical Component List
Power Distribution - Battery Feed
Power Distribution - Battery Feed
06 S Car Figure for Graphic 1456585
Ground Distribution - G101, G102, G105
Ground Distribution - G101, G102, G105
Ground Distribution - G202 1of3