GM Service Manual Online
For 1990-2009 cars only
Makes
🢒
Pontiac
🢒
2007
🢒
Wave
🢒 HVAC Systems - Manual - Compressor Controls - 1.2L
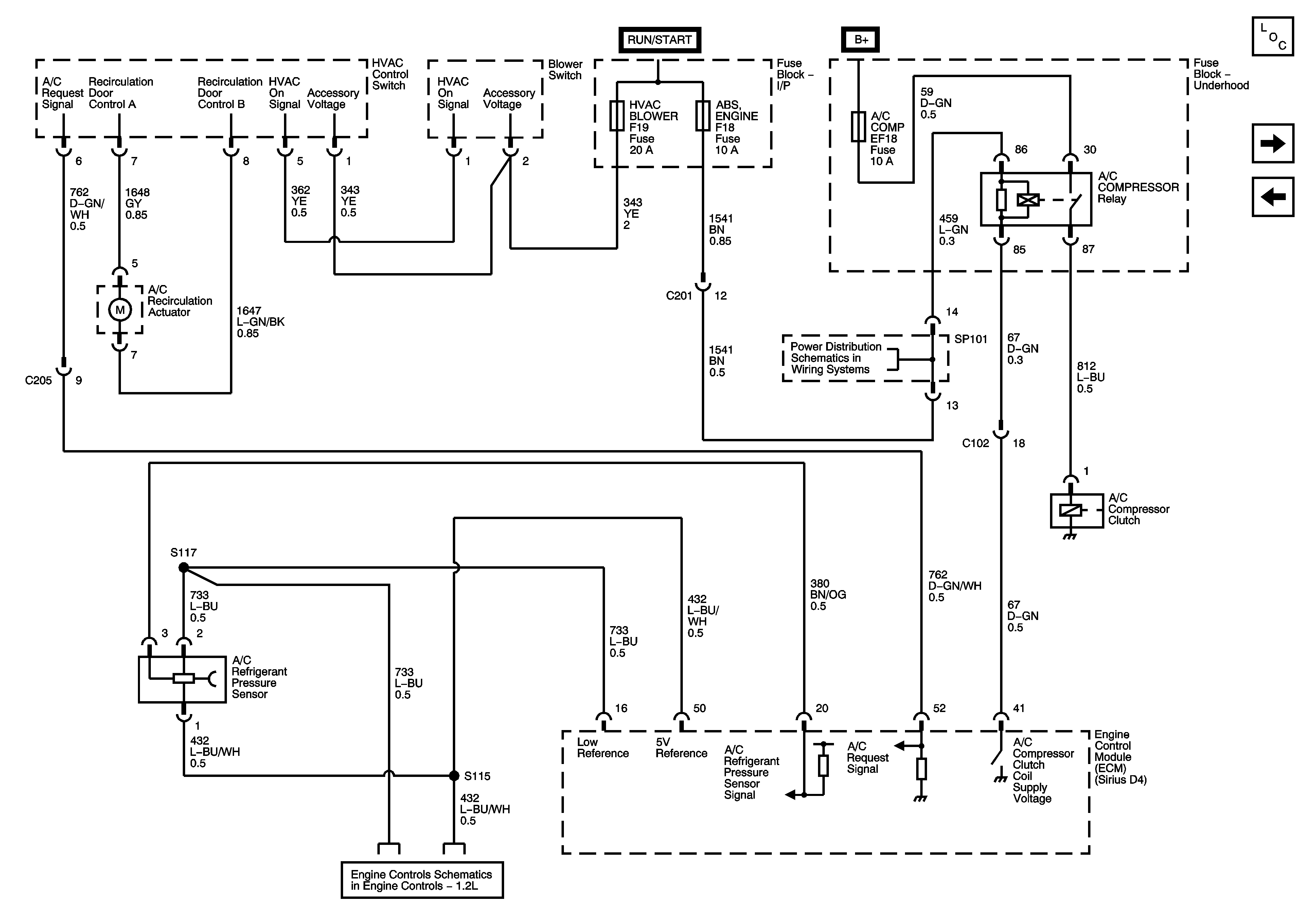
HVAC Systems - Manual - Compressor Controls - 1.2L
Manual -- Compressor Controls -- 1.2L
Master Electrical Component List
HVAC Systems - Manual - Compressor Controls - 1.4L, 1.6L
HVAC Systems - Manual - Blower Controls
Power Distribution - Battery Feed
Engine Controls Power, Ground and MIL