GM Service Manual Online
For 1990-2009 cars only
Makes
🢒
Pontiac
🢒
2007
🢒
Wave
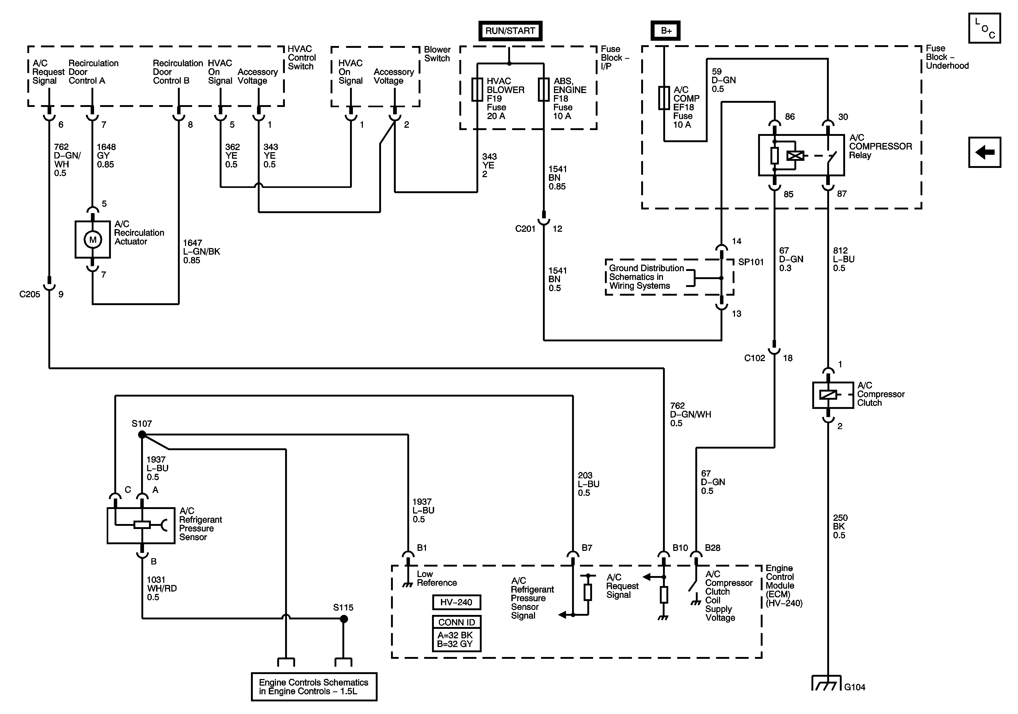
🢒 HVAC Systems - Manual - Compressor Controls - 1.5L
HVAC Systems - Manual - Compressor Controls - 1.5L
Manual -- Compressor Controls -- 1.5L
Master Electrical Component List
HVAC Systems - Manual - Compressor Controls - 1.4L, 1.6L
Power Distribution - Battery Feed
Engine Controls Power, Ground and MIL
Ground Distribution - G104