GM Service Manual Online
For 1990-2009 cars only
Makes
🢒
Pontiac
🢒
2007
🢒
Wave
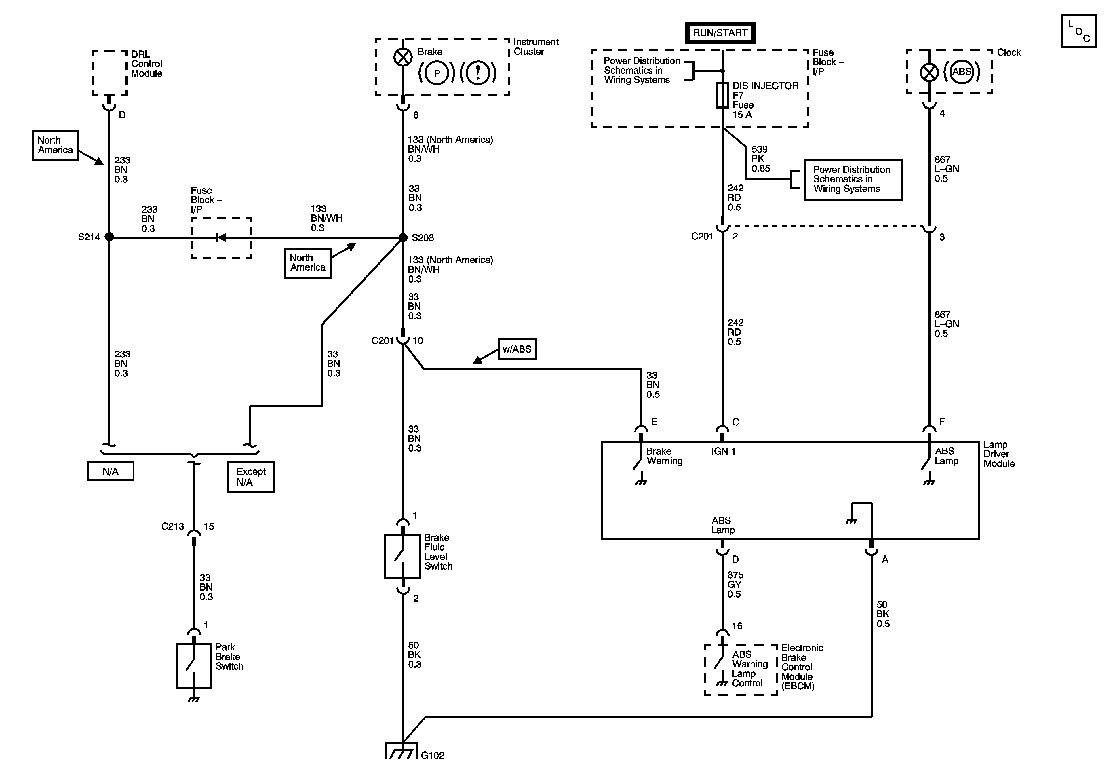
🢒 Brake Warning Schematics
Brake Warning Schematics
Master Electrical Component List
Power Distribution - Battery Feed
Power Distribution - Battery Feed
Ground Distribution - G102 cont.