GM Service Manual Online
For 1990-2009 cars only
Makes
🢒
Pontiac
🢒
2007
🢒
Wave
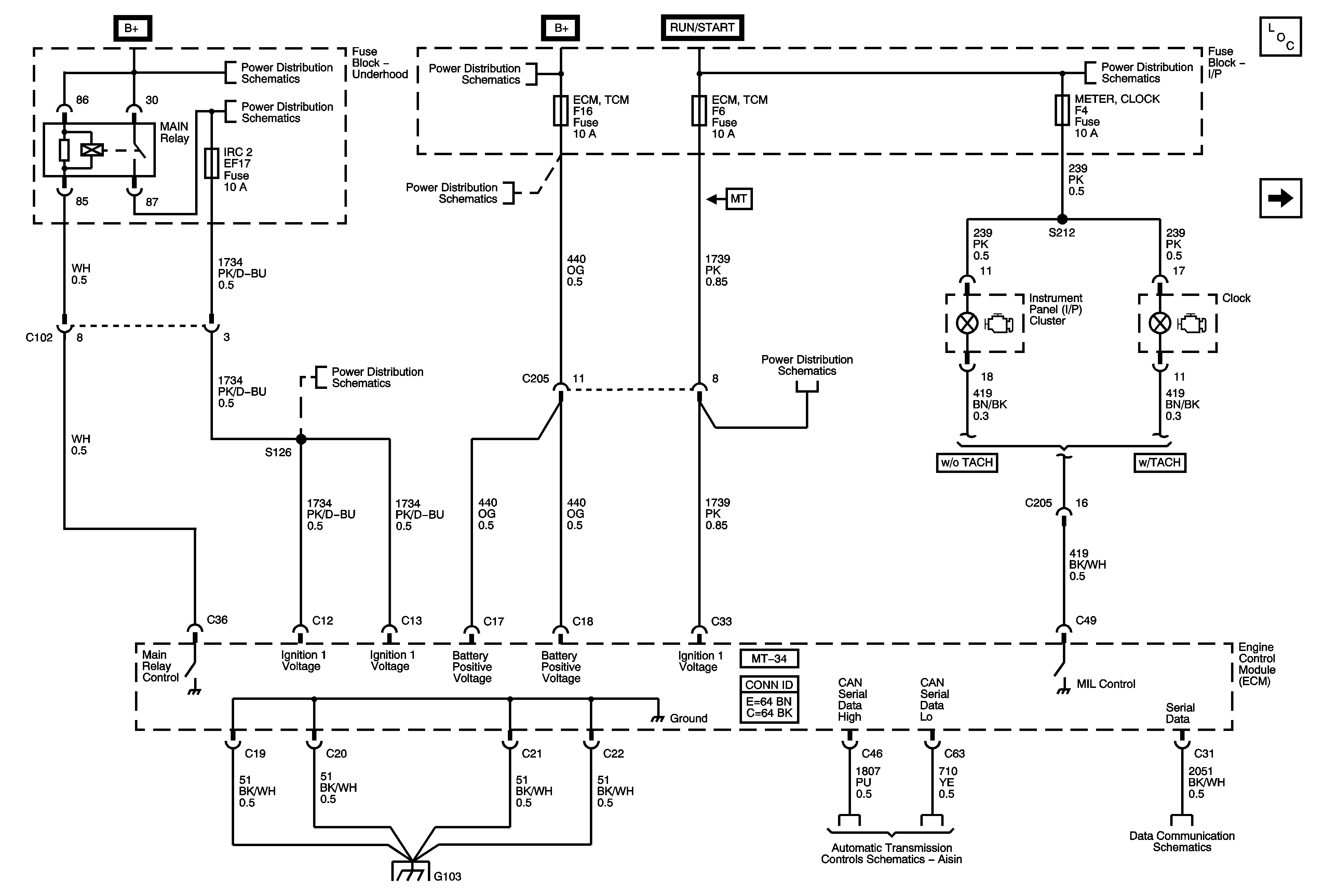
🢒 Engine Controls Power, Ground and MIL
Engine Controls Power, Ground and MIL
Engine Controls Power, Ground and MIL
Master Electrical Component List
Engine Controls Data Sensors
OBD II Symbol Description Notice
Power Distribution - Battery Feed
Power Distribution - Battery Feed
Power Distribution - Battery Feed
Power Distribution - Battery Feed
Power Distribution - Battery Feed
Power Distribution - Battery Feed
Ground Distribution - G103 - 1.4L
Auto Transaxle Power and Ground
06 S Car Aveo Figure for Graphic 1680290