GM Service Manual Online
For 1990-2009 cars only
Makes
🢒
Pontiac
🢒
2007
🢒
Wave
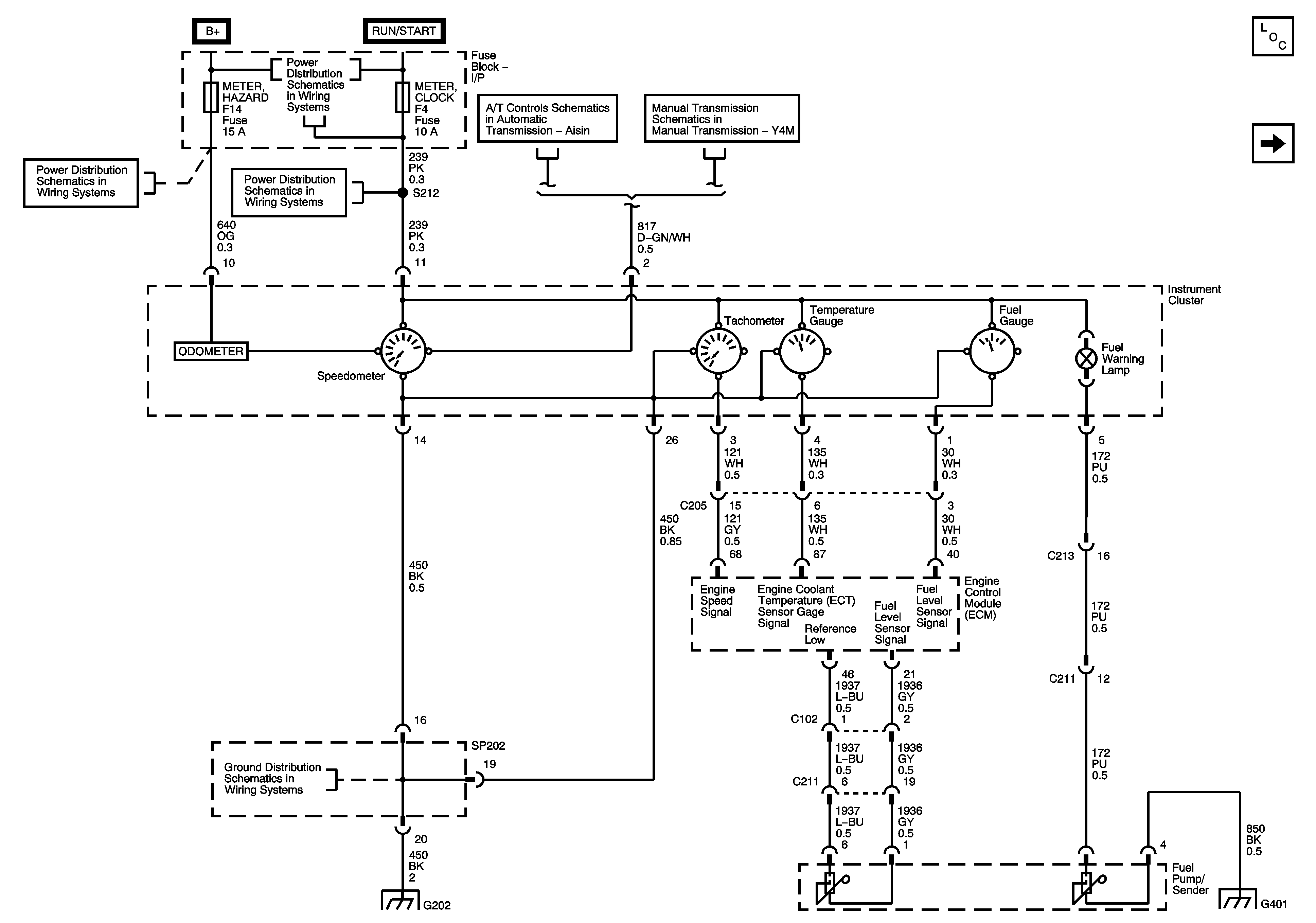
🢒 Instr Cluster 1.2L Gauges
Instr Cluster 1.2L Gauges
1.2L Gauges
Master Electrical Component List
Instr Cluster 1.4L, 1.5L Gauges
Power Distribution - Battery Feed
Power Distribution - Battery Feed
Power Distribution - Battery Feed
Auto Transaxle Power and Ground
06 S Car Aveo Figure for Graphic 1680284
Ground Distribution - G101, G102, G105
Ground Distribution - G202 1of3
Ground Distribution - G401 Notchback