GM Service Manual Online
For 1990-2009 cars only
Makes
🢒
Pontiac
🢒
2007
🢒
Wave
🢒 Exterior Lts - Stop Lamps
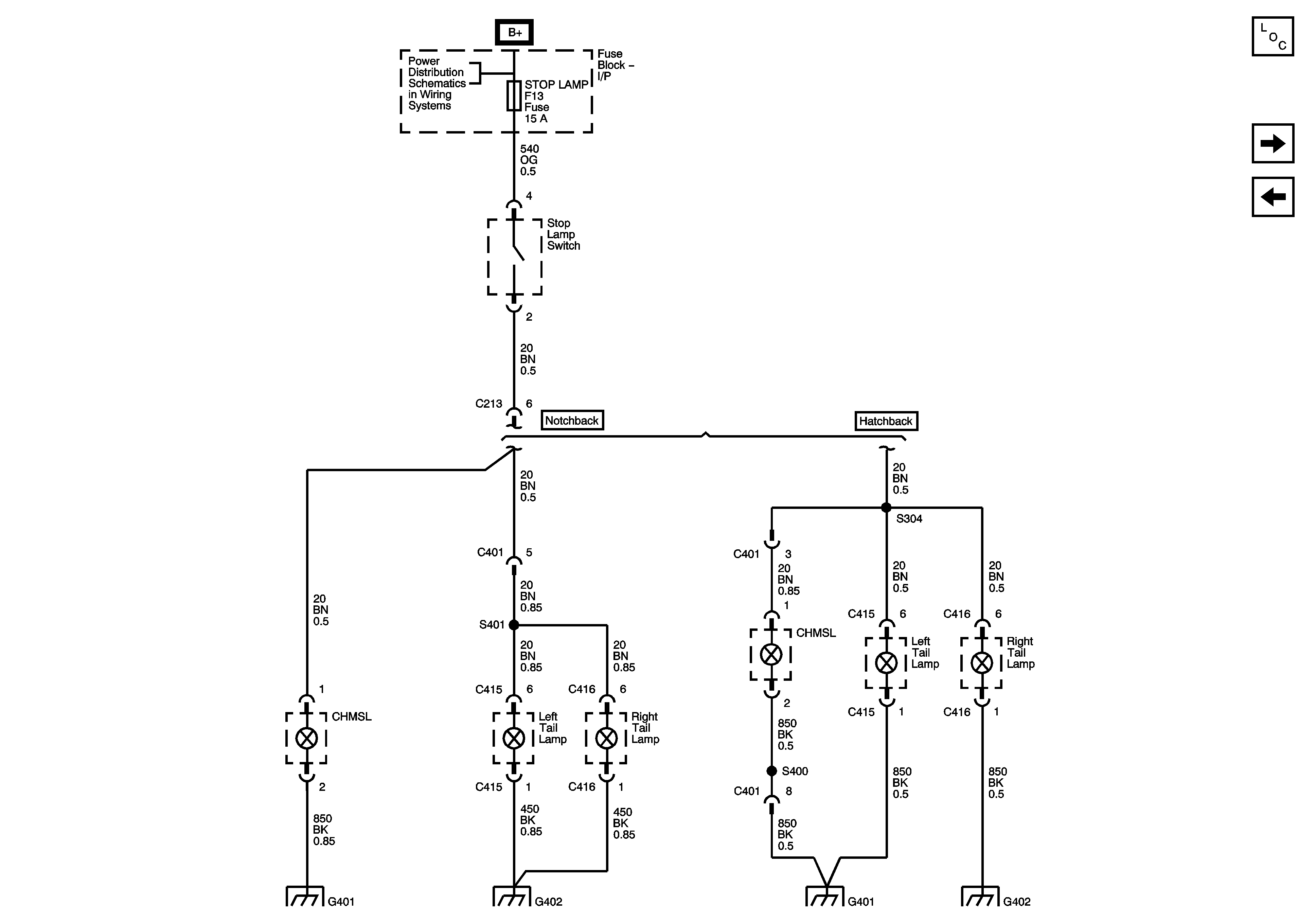
Exterior Lts - Stop Lamps
Stop Lamps
Master Electrical Component List
Exterior Lts - Turn signals
Exterior Lts - Park Lamps
Power Distribution - Battery Feed
Ground Distribution - G401 Notchback
Ground Distribution - G402
Ground Distribution - G401 Hatchback, G901
Ground Distribution - G402