GM Service Manual Online
For 1990-2009 cars only
Makes
🢒
Pontiac
🢒
2007
🢒
Wave
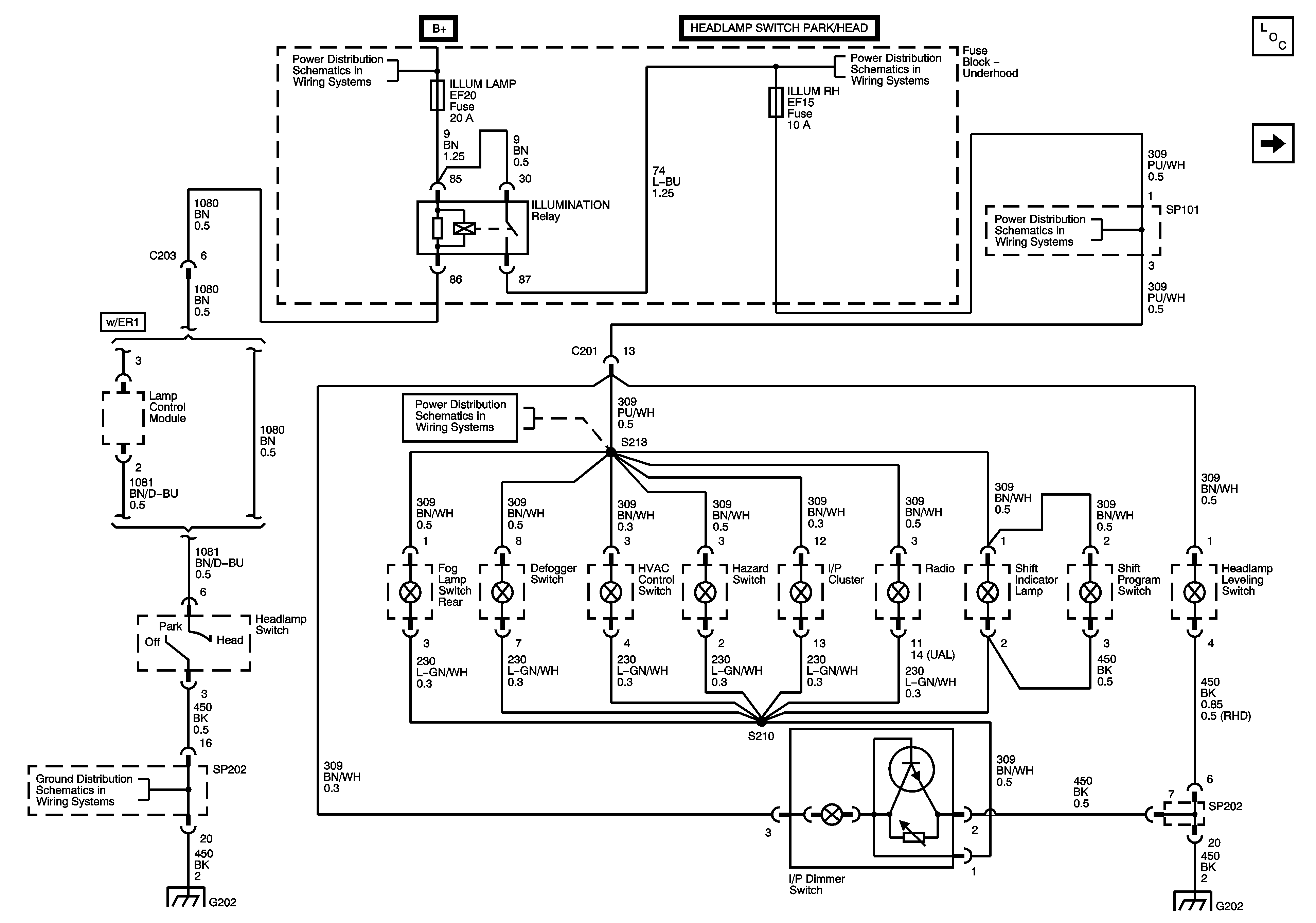
🢒 Interior Lts Dimm - w/Dimmer
Interior Lts Dimm - w/Dimmer
w/ Dimmer
Master Electrical Component List
Interior Lts Dimm - w/out Dimmer
Power Distribution - Battery Feed
Power Distribution - Battery Feed
Power Distribution - Battery Feed
Power Distribution - Battery Feed
Ground Distribution - G101, G102, G105
Ground Distribution - G202 1of3
Ground Distribution - G202 1of3