GM Service Manual Online
For 1990-2009 cars only
Makes
🢒
Pontiac
🢒
2007
🢒
Wave
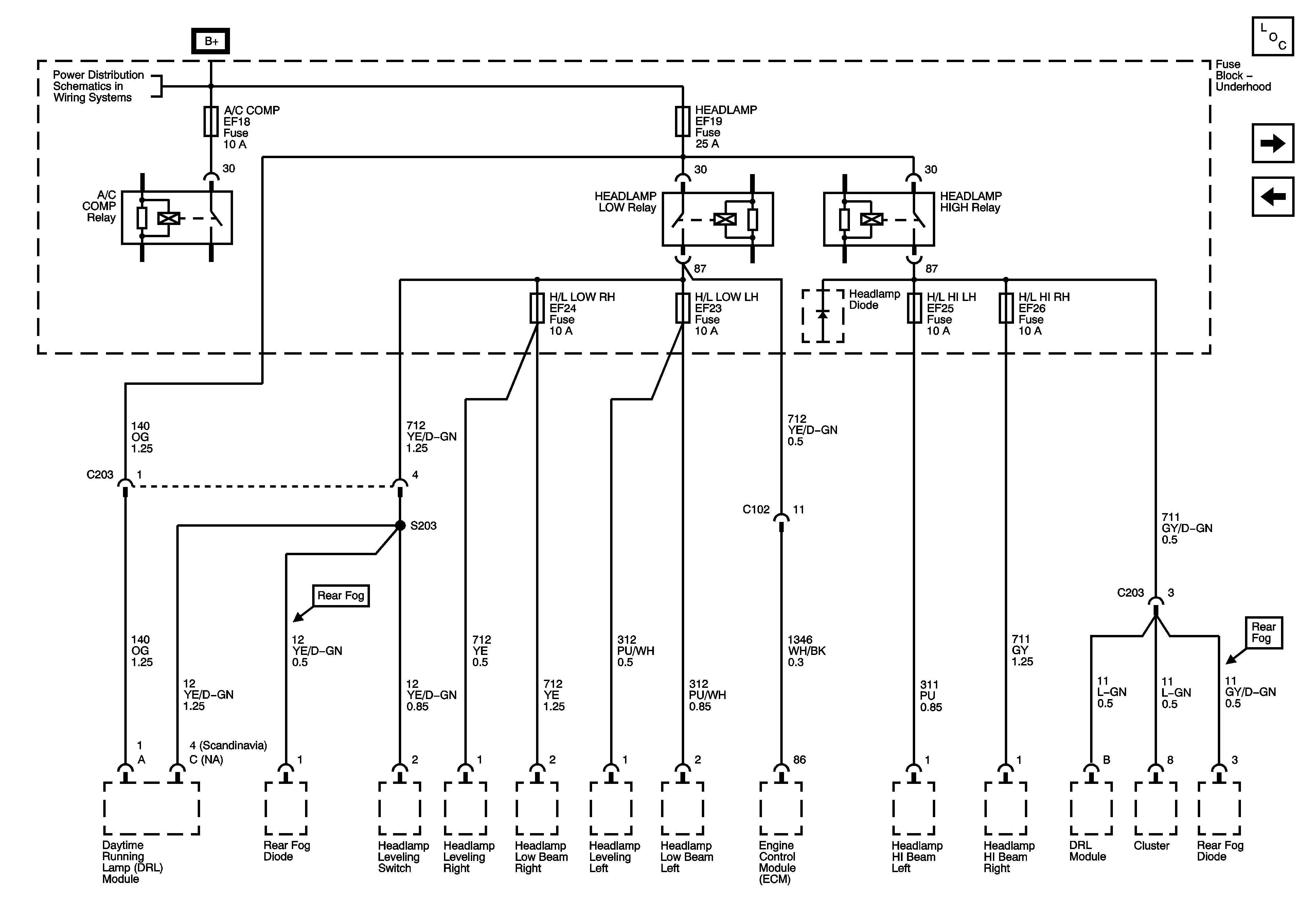
🢒 Power Distribution - Fuses EF18, 19, 23, 24, 25, 26
Power Distribution - Fuses EF18, 19, 23, 24, 25, 26
Fuses EF18, 19, 23, 24, 25 and 26
Master Electrical Component List
Power Distribution - Fuses EF7, F12, 13, 14, 15, 16, 23
Power Distribution - Fuses EF14 cont., EF9, 22
Power Distribution - Battery Feed