GM Service Manual Online
For 1990-2009 cars only
Makes
🢒
Pontiac
🢒
2007
🢒
Wave
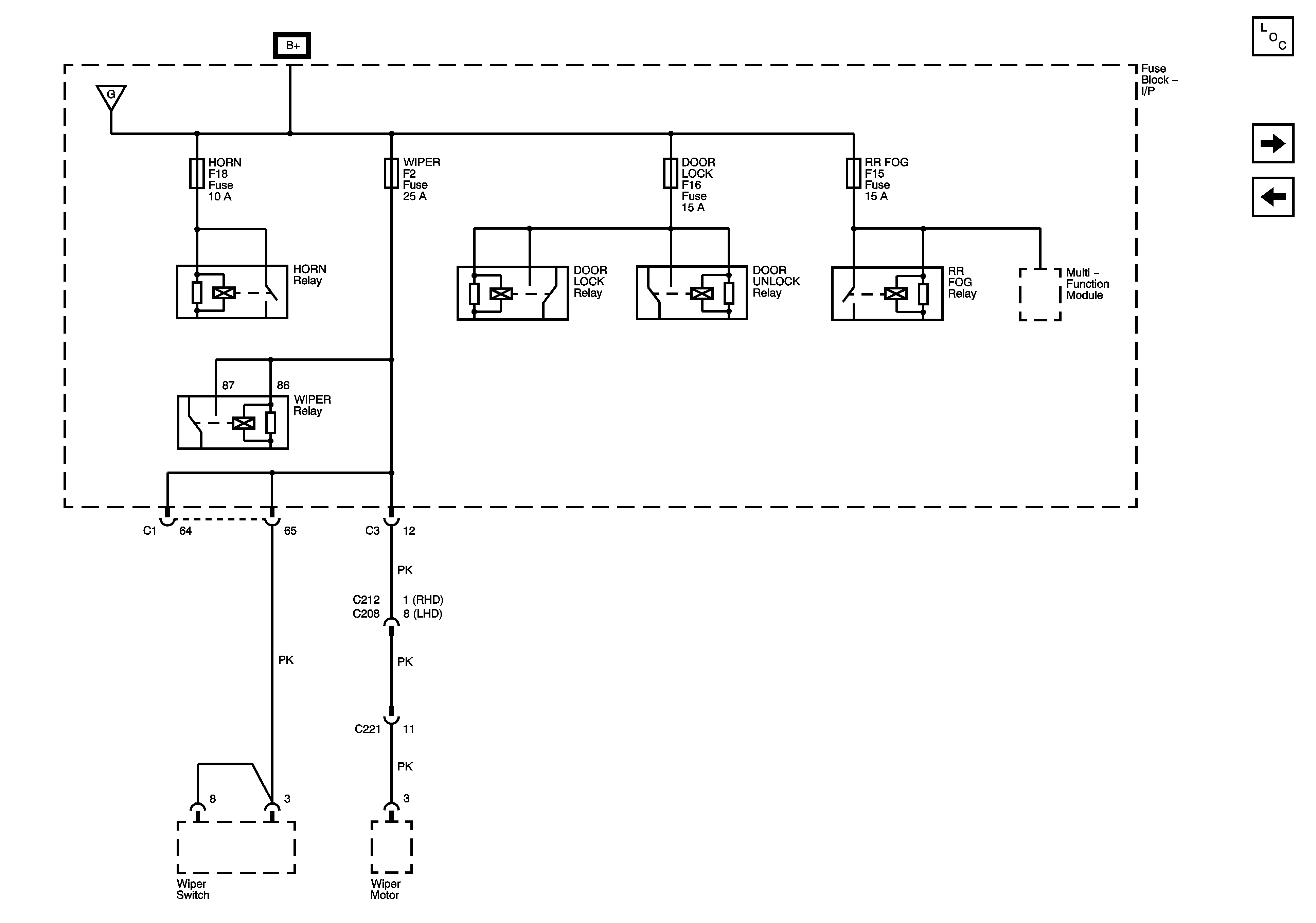
🢒 HORN, WIPER, DOOR LOCK, RR FOG Fuses and Relays
HORN, WIPER, DOOR LOCK, RR FOG Fuses and Relays
HORN, WIPER, DOOR LOCK, RR FOG Fuses and Relays
Master Electrical Component List (Notchback)
ACC/IG 1 Fuse, Ignition Switch, B/UP LAMP, ELEC MIRROR Fuses
AUDIO/RKE, DEFOGGER, DEFOG MIRROR Fuses
AUDIO/RKE, DEFOGGER, DEFOG MIRROR Fuses