GM Service Manual Online
For 1990-2009 cars only
Makes
🢒
Pontiac
🢒
2007
🢒
Wave
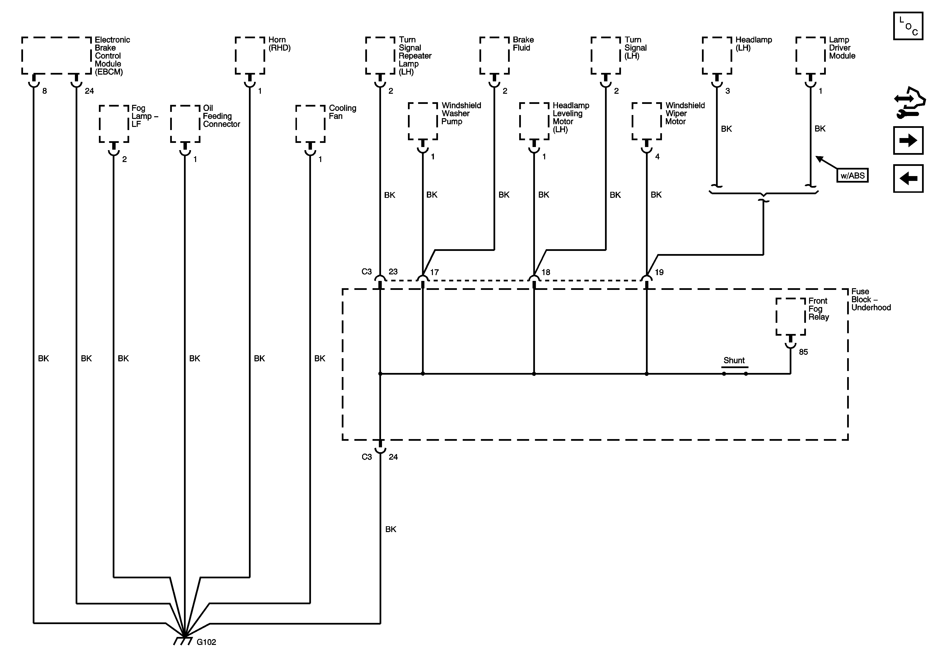
🢒 G102
G102
G102
Master Electrical Component List Notchback
Control Module References
G104
G101, G103, G104