GM Service Manual Online
For 1990-2009 cars only
Makes
🢒
Pontiac
🢒
2007
🢒
Wave
🢒 Starting System
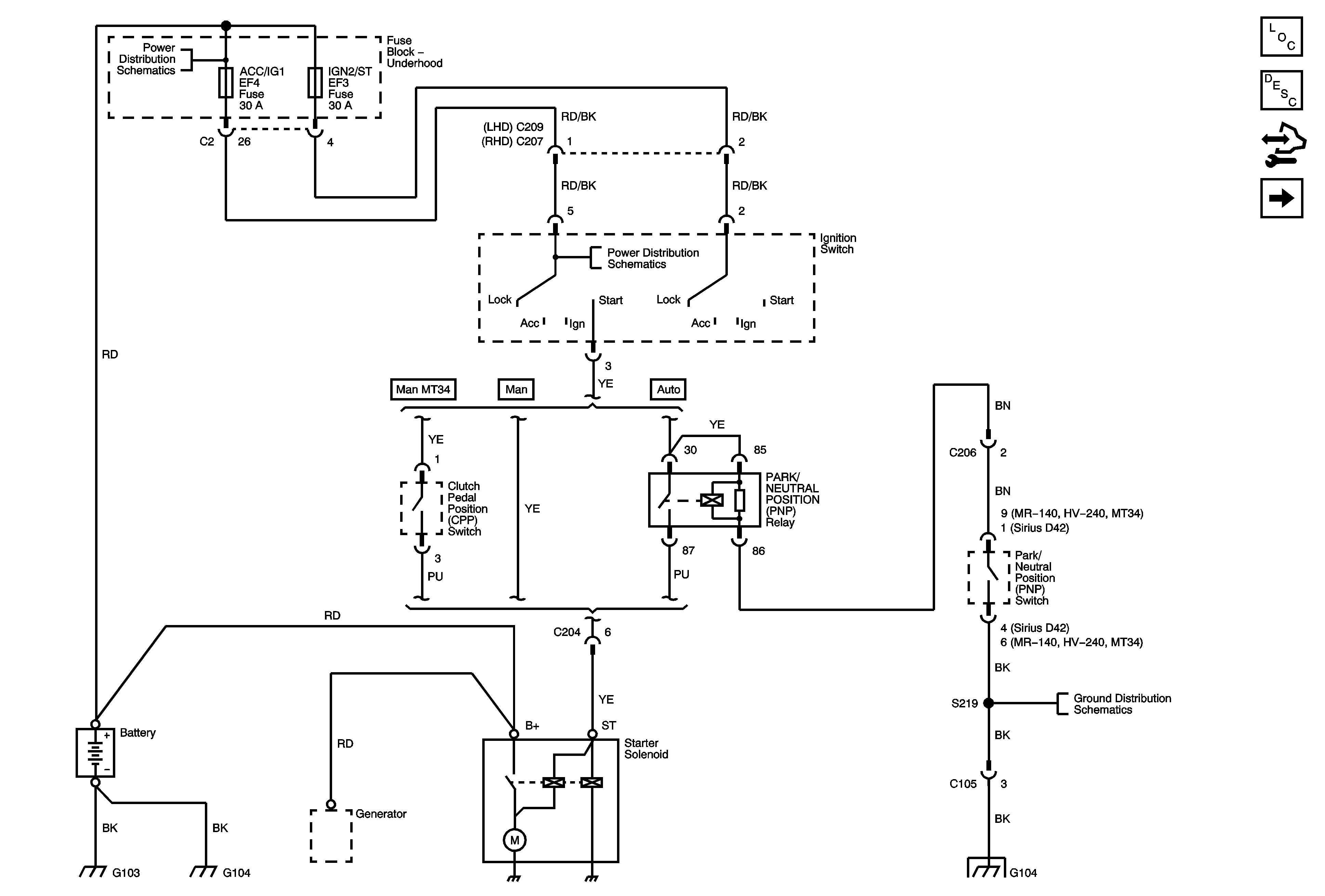
Starting System
Starting System
Master Electrical Component List Notchback
Starting System Description and Operation
Control Module References
Charging System
ACC/IG 1 Fuse, Ignition Switch, B/UP LAMP, ELEC MIRROR Fuses
ACC/IG 1 Fuse, Ignition Switch, B/UP LAMP, ELEC MIRROR Fuses
G101, G103, G104
G101, G103, G104
G104