GM Service Manual Online
For 1990-2009 cars only
Makes
🢒
Pontiac
🢒
2007
🢒
Wave
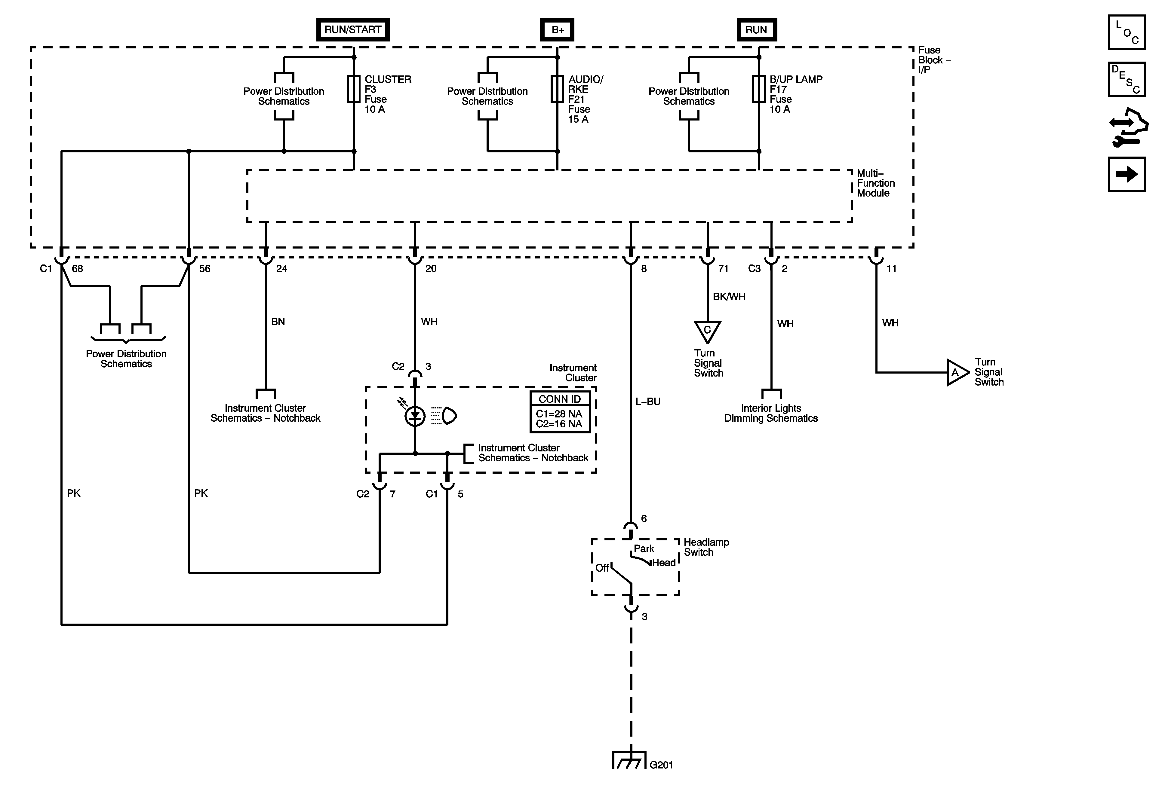
🢒 Oil Pressure and Headlamp Switch
Oil Pressure and Headlamp Switch
Oil Pressure and Head Lamp Switch
Master Electrical Component List Notchback
Exterior Lighting Systems Description and Operation
Control Module References
Headlamp and Turn Signal Switch
IGN 2/ST Fuse, Ignition Switch, CIGAR, AUDIO/CLOCK, CLUSTER, T/SIG Fuses
AUDIO/RKE, DEFOGGER, DEFOG MIRROR Fuses
ACC/IG 1 Fuse, Ignition Switch, B/UP LAMP, ELEC MIRROR Fuses
IGN 2/ST Fuse, Ignition Switch, CIGAR, AUDIO/CLOCK, CLUSTER, T/SIG Fuses
Charge, Brake, MIL, Seat Belt, Air Bag, Oil Pressure, HOLD, ABS, Door Open Indicators
Turn, High Beam, Fog Indicators, Instrument Cluster Illumination
Headlamp and Turn Signal Switch
RHD
Headlamp and Turn Signal Switch
G201 - 1 of 3