GM Service Manual Online
For 1990-2009 cars only
Makes
🢒
Pontiac
🢒
2007
🢒
Wave
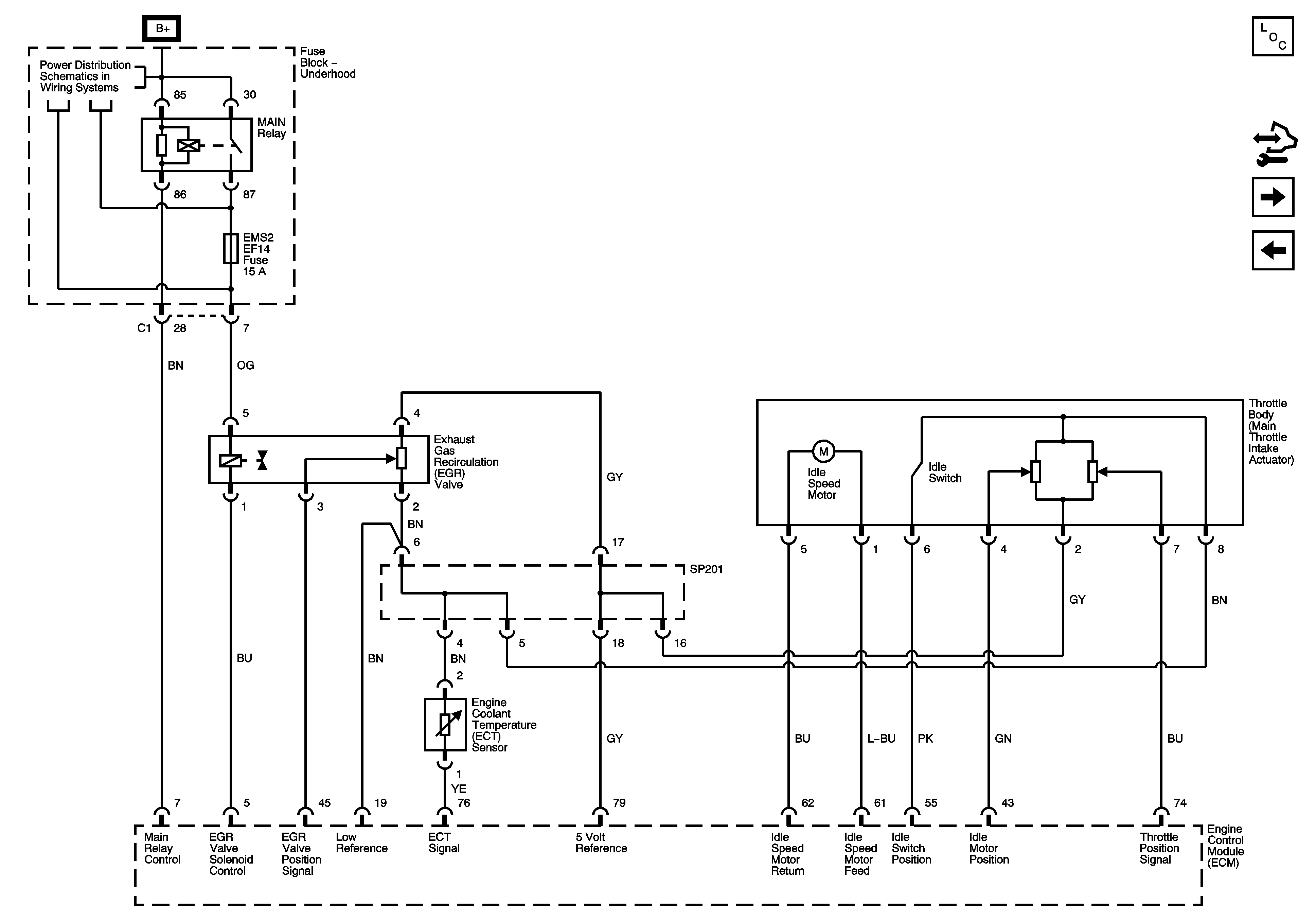
🢒 EGR Valve, ECT Sensor, Main Throttle Intake Actuator
EGR Valve, ECT Sensor, Main Throttle Intake Actuator
EGR Valve, ECT Sensor, Main Throttle Intake Actuator
Master Electrical Component List (Notchback)
Control Module References
Controlled/Monitored Subsystem References
Fuel Pump and Injectors
MAIN, FAN, A/C RELAYS, EMS1, EMS2 Fuses - SIRIUS D42, MT34