GM Service Manual Online
For 1990-2009 cars only
Makes
🢒
Pontiac
🢒
2007
🢒
Wave
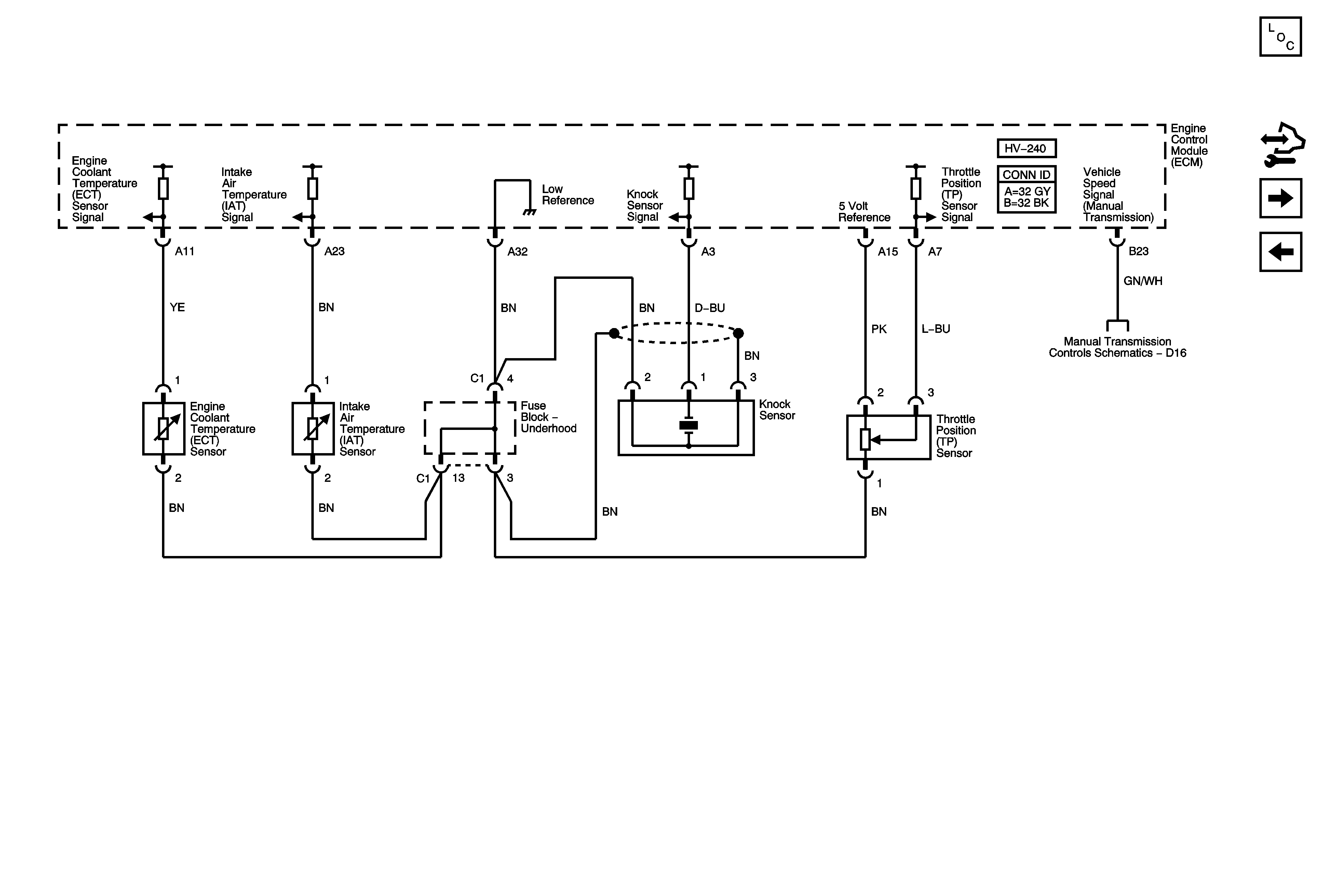
🢒 ECT, IAT, Knock, TP Sensors
ECT, IAT, Knock, TP Sensors
ECT, IAT, Knock, TP Sensors
Master Electrical Component List Notchback
Control Module References
Ignition Coil, Oxygen Sensor
Engine Control Module (ECM) Power, Ground, MIL Control
Manual Transaxle Schematics