GM Service Manual Online
For 1990-2009 cars only
Makes
🢒
Pontiac
🢒
2007
🢒
Wave
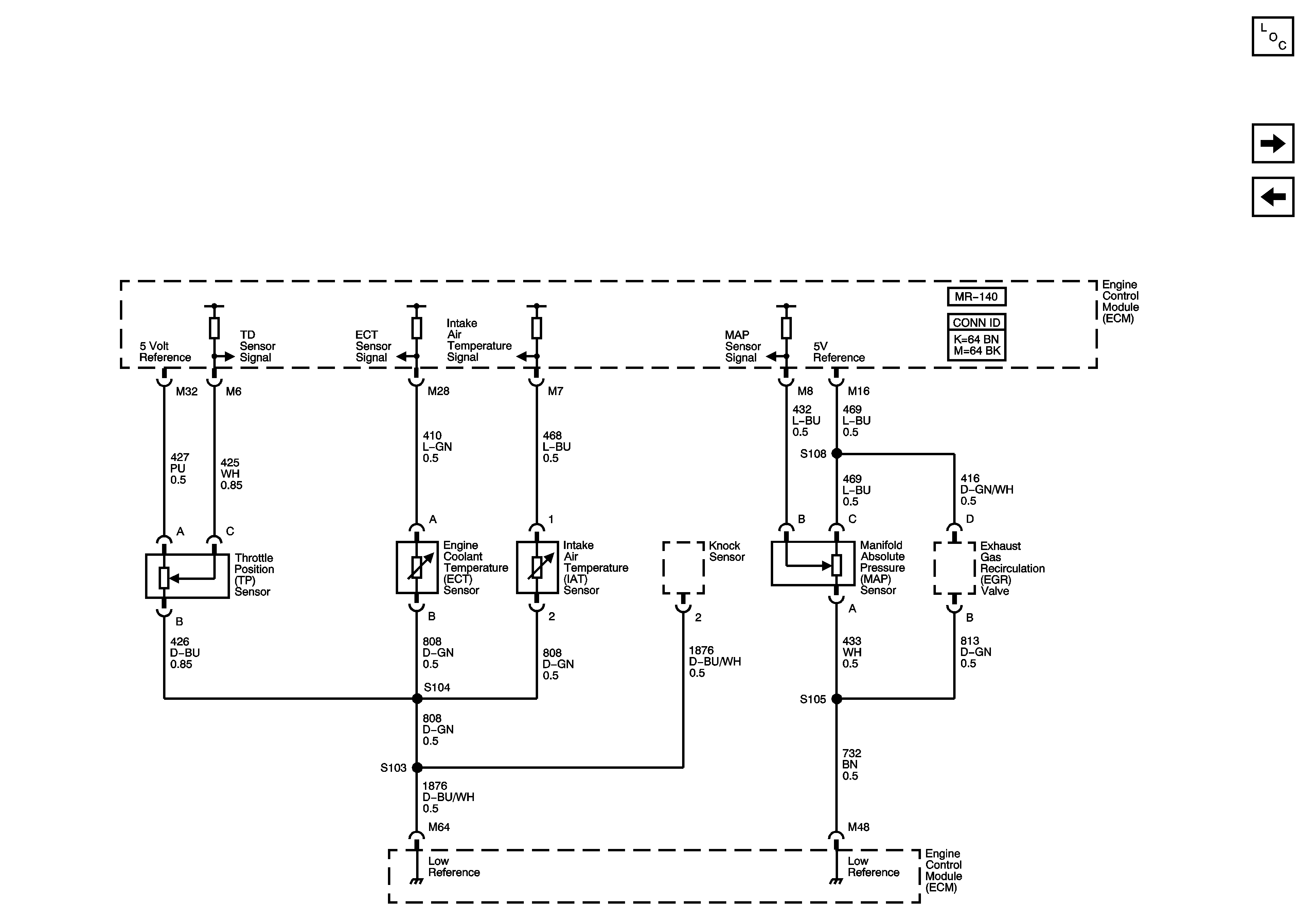
🢒 Data Sensor 1.4L SOHC
Data Sensor 1.4L SOHC
Data Sensors
Master Electrical Component List (Hatchback)
Oxygen Sensors 1.4L SOHC
Battery Feed