GM Service Manual Online
For 1990-2009 cars only
Makes
🢒
Pontiac
🢒
2007
🢒
Wave
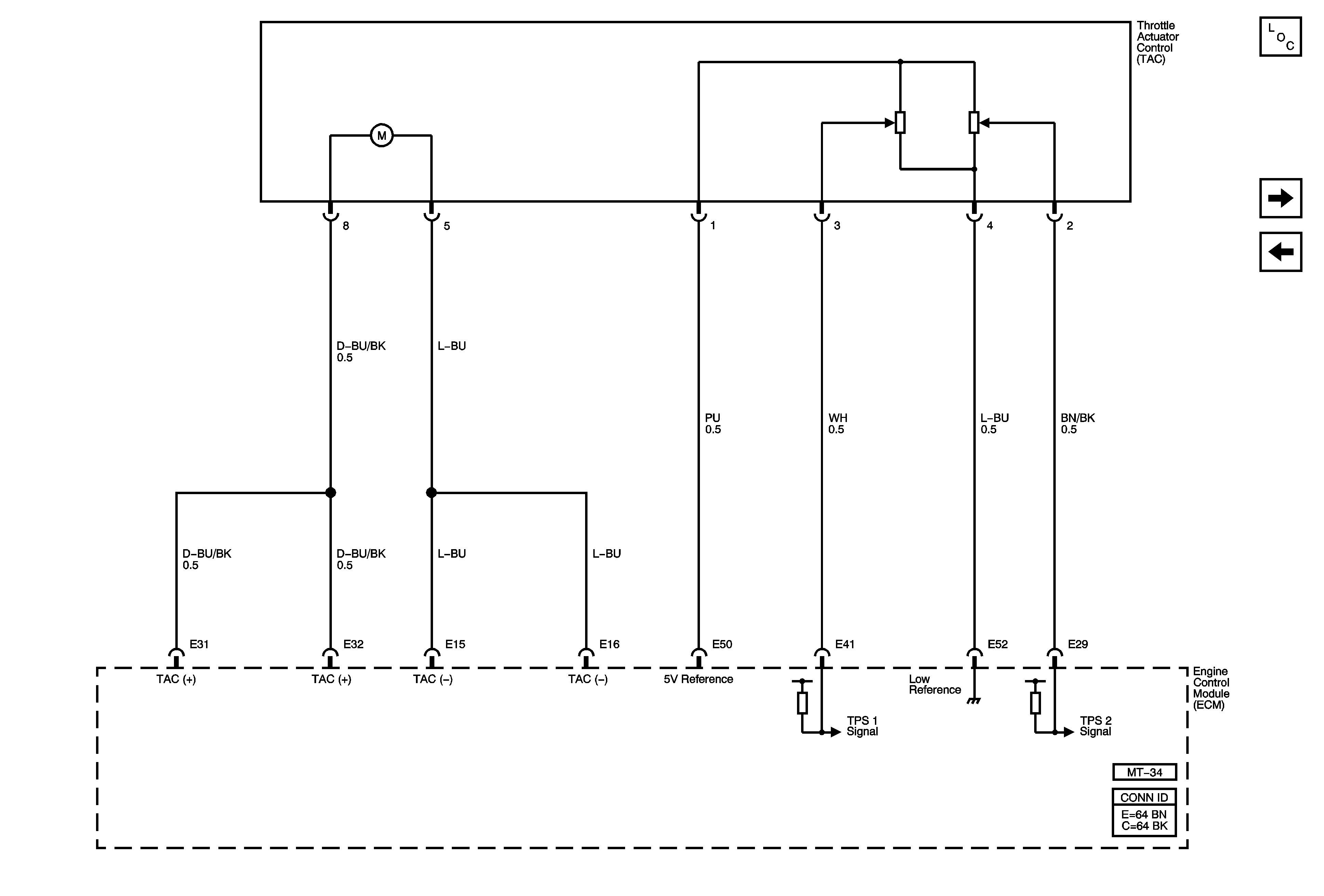
🢒 Throttle Actuator Control
Throttle Actuator Control
Throttle Actuator Control
Master Electrical Component List (Hatchback)
Oxygen Sensors
Accelerator Pedal Position (APP) Sensor